VW Baywindow Bus FAQby Richard Atwell |
|
Certain questions come up all the time on the various discussion boards, particularly theSamba's popular Baywindow Forum. This is a FAQ made up from my replies to those topics and from some others in no particular order to get new owners up to speed. If there is no mention of model, late model baywindow and Type 4 engine are implied (there is more than enough Type I info out on the web that applies equally to bus and beetle).
There are over 190 answers to popular questions in this FAQ.
Help make this FAQ better. If you have knowledge about the following topics (or any other) please contact me. Info I'm currently researching:
You've bought a compression tester but it doesn't contain any instructions. Here's what to do:
There is now no fuel spray or spark. If you are using the ignition key to power the starter you'll need to pull the 12v wire from the ignition coil.
To interpret results see section 1.5 When to rebuild.
Removing the coil wire doesn't do much because the spark plugs are already out. If you have to rely on the key to run the starter also remove the white wire to disable the injectors.
The bigger problem is that the starter, via double relay, is going to run the fuel pump so it has to be disabled by pulling the plug on the firewall.
The remote starter I like is the one from Sears (#21018 from Sunpro/Actron) with the light on the top that tells you the power is on. It was recently brought to my attention that it's no longer at Sears but I did find CP7854 at the Actron website which is exactly the same version.
You've got a 68-71 bus and you want to put a 72-79 engine in it? Virtually nobody does this...they just find a late model bus instead.
You've got a 72-79 bus and you want to swap in 1600 Type I engine from a beetle or a 68-71 bus. You've got a reason besides the fact you want less torque, want a harder working engine and no one is going to stop you. First the facts:
The 72-79 engine is not a Porsche engine as every person selling a bus would like you to believe. The engine was first used on the 411/412 VWs and also used on the Porsche 914 which was a joint effort between VW and Porsche. It's more correct to say that Porsche used a VW engine. It shares as much in common with the 911 boxer engines as the Type I engine does (zip).
Not all Type 4 bus engines are the same: displacement matters.
| Size | Bore | Stroke | HP | @RPM | ft.lbs | @RPM |
|---|---|---|---|---|---|---|
| 1679cc | 90mm | 66mm | 63 | 4800 | 81 | 3200 |
| 1795cc | 93mm | 66mm | 65 | 4200 | 92 | 3000 |
| 1971cc | 94mm | 71mm | 67 | 4200 | 101 | 3000 |
As the numbers illustrate, there is substantially more torque available in the 1.8L engine and even more in the 2.0L engines which is the favorite choice when time comes to replace the original engine. It's that 71mm stroke that gives the 2.0L it's extra oomph. In a heavy bus, you need all you can get.
Remember that torque is what moves the bus around. HP is simply derived from torque (HP = torque x RPM / 5252) and because bus engines aren't designed to be high revving you'll never see impression HP numbers from a stock bus engine.
The beetle engine support was the transmission carrier but the bus had a special engine mount affectionately called the mustache bar. It mounted to the rear (pump side) of the bus case. Because of this, you'll either need a "universal" case that has the mounts on it or you'll need the aftermarket support bracket that attaches to the oil pump. To adapt the mustache bar to a regular case, you'll need these parts:
See these installation photos of this conversion courtesy of Full Moon Bus Club member "Forge" (dead link).
To make your case universal (the stronger solution) you can drill and tap the bosses cast into the beetle case:
There are 3 holes, I'll refer to them as 1, 2, and 3 left to right. 1 and 3 are along the same plane, 2 is a little over 71mm below that. If you make a template, draw a line 190mm long mark hole #1 center 5mm from the left end of the line measure 178mm along the line from hole #1 center and mark hole #3 center. scribe an arc below the line from hole #1, 104mm scribe an arc below the line from hole #3, 125mm where these arcs cross is hole #2 #1 is M10X1.5 x70 stud the hole is 22mm deep 8.5mm drill bit or 21/64" worked #2 is M8X1.25 x55 stud the hole is 28mm deep 6.8mm drill bit or 17/64" worked #3 is M10X1.5 x70 stud the hole is 28mm deep 8.5mm drill bit or 21/64"
Measurements courtesy of Jamie Rivers
Some folks think you don't need the engine support bar if you have a 72-79 bus with the transmission carrier mounted to the body. The weight of the engine with stock exhaust is probably 4-5x the weight of the transmission. The transmission carrier is not at a balancing point on the body so the unbalanced weight of the engine will be bourn by the nosecone pressing against the torsion housing because the rear support bar is missing. Bad idea. If you have a 68-71 body and you are simply putting a bettle engine in, you have no choice but to use the moustache bar.
The next problem you'll have is finding the compatible engine tin to use. You'll need to get the all of the tin from a 72-79 euro bus that had the stock 1600 motor or use a fiberglass replacement like this one:
Fiberglass Engine Tin Adapter from BusDepot.
Vanagon engine swaps are complicated by the fact that the body changed so much:
The oil pressure light (or idiot light as it's called) comes on between 2.2 - 6.5 psi (0.15 - 0.45 BAR). By the time it lights the engine is generally toast. Install an oil pressure warning gauge to monitor the general health of your engine. As the bearings wear the clearances increase and this allows the oil to flow more easily resulting in a lower operating pressure. Oil pressure also varies with temperature.
A standard VDO oil pressure gauge only goes to 80 psi but when you start a cold engine that pressure can be as high as 80-100psi so you really need an oil pressure gauge to read these values or another brand other than VDO. Not a big deal.
These are the steps I trust to prevent valve cover leaks:
Notes:
According to VW, a heathy Type IV engine is like so:
These numbers were obtained from a compression test. The maximum psi difference between the highest and lowest reading should be 28 psi. Those are the specs but we all know a bus with under 100psi compression feels pooped out because as the compression drops so does the power which is wasted.
If you have a W or EA engine with 8.2:1 compression ratio from an engine swap the compression should be 128-156 psi.
All these numbers are readings taken at sea level so they go lower as you climb in altitude. Divide your readings by these factors before comparing them to the specs otherwise you will rebuild prematurely.
| Altitude | 500 | 1500 | 2500 | 3500 | 4500 | 5500 | 6500 | 7500 | 8500 |
|---|---|---|---|---|---|---|---|---|---|
| Factor | 0.987 | 0.960 | 0.933 | 0.907 | 0.880 | 0.853 | 0.826 | 0.800 | 0.773 |
As good as compression results seem, you can only truly know the state of the heads by performing a leak down test. Open valves, cracked valves, broken rings and gaskets can be identified easily when compression values only indicate some problem exists.
Another measure of engine health is oil pressure. VW says that you should see 42 psi with SAE30 oil at 175F when the engine rpm is 2500 (the pressure goes up with the engine speed because of the pump and down with temperature so it's hard to predict). The wear limit is 28 psi. As the bearings wear the tolerances increase and this causes the oil pressure to drop.
Check the vacuum level. Engines driven with low vacuum levels (and missing engine compartment seals) tend to overheat prematurely and this affects the sealing ability of the heads.
Avoid ultra-budget rebuilders like GEX because they have a terrible reputation. Choose a reputable firm like AVP or avoid an assembly line rebuilder all together and choose a small rebuilder that will build your engine with care. Even better? Rebuild it yourself.
See my Hydraulic Lifters article on the subject.
Your new bus my give you no clue as to where to find the timing marks. The first item you need is a scale. The early scales were metal, painted white with black letters. Over time, the letters wear off completely. The later scales were black plastic with raised black letters: far more durable but hard to read. Buy yourself a new plastic scale and with a fine tip paint brush, paint the raised lettering white so it's easy to read.
In this article, Steve Dolan explains how to find the timing mark on the pulley if you have several marks added by the PO.
Two words are printed at the end of the timing scales: VOR is German for before and NACH means after.
See my Thermostat article for all the details.
Type IV engines already have built-in many of the design improvements that rebuilders have to make to the Type I engine (and a lot more):
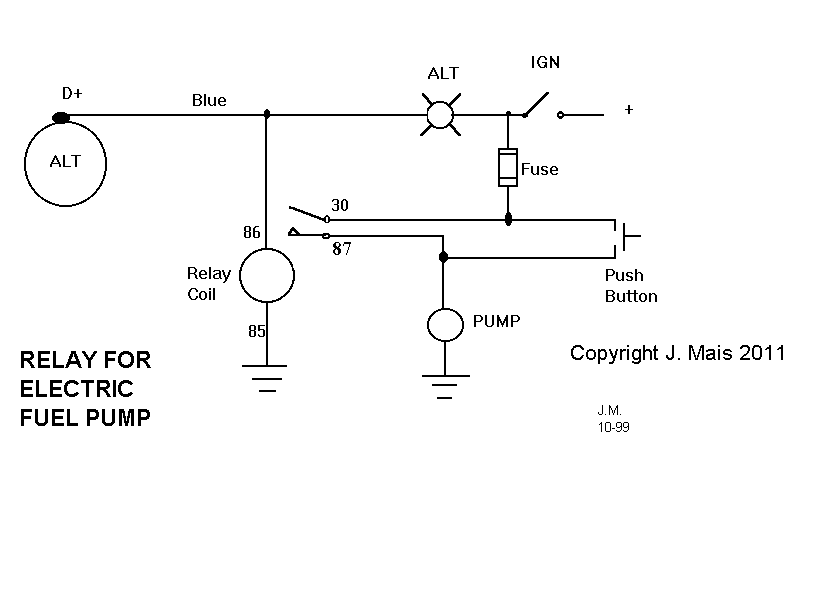
If you have to remove the original mechanical Type 4 fuel pump (isn't that a terrible location!) and replace it with an electrical unit you should install a safety switch in case the engine dies to reduce the risk of fire. The modification is as simply as using a single relay:
The relay is the NC (normally closed) variety and cuts power to the pump when the oil pressure light come on. You'll have to build up a little oil pressure before the pump starts the flow fuel but having a little extra oil pressure at startup is good for minimizing engine bearing wear that occurs at startup.
Don't forget to mount your electric pump with some sort of bushing in between the frame and the pump. Some of the facet pumps are so noisy you'll hear it through the frame all the way up to the cab. Get a rotary pump from CB Performance instead.
Another solution is to trigger off the alternator light using a similar setup:
The switch depicted is the momentary variety to let you prime the pump for easier starts than without it.
Whatever pump you choose, the flow requirements are 5psi pushing 400cc/minute minimum at 3800rpm. Doing some simple math that's about 1cc per 10 pumps. You should be able to test a mechanical pump by hand but I haven't tried it myself. The pressure of an electric pump is easily tested with a gauge and you may find you need a fuel pressure regulator inline with the pump and the carb so you don't flood it. As for flow, run it for 10s into a graduated cylinder and see if you get at least 67ml.
You need a 24mm deep socket to remove the oil pressure switch on the Type 4 engine is the tin is in place. There is no torque spec on this part so do not over tighten it and strip the threads in the case.
If your switch has straight threads you need a copper gasket to help seal it. If it has tapered threads (like pipe thread) you don't.
Buy a Mahle OC-28 filter from Bus Depot. It's Made in Austria and the OEM filter for the Type IV engine. You can also use the German made Mann W 920/17 filter. "Einbau von hand" is German for tighten by hand. Do not use a filter wrench to install this filter (or almost any filter for that matter). I've contacted MAHLE Filtersysteme GmbH and they inform me that they do not sell a filter wrench for their filter profile (more proof that hand tight is the correct method). If you have to remove a filter a bozo put on too tightly use one of those flat rubber discs for removing the lids form pickle jars.
Trivia: the threads on the filter are 3/4-16 UNF.
All the filters I've seen have said hand tighten except one: it was a genuine VW bus filter made in the US. It said torque to 18 ft. lbs. Presumably hand tight is probably very close to this figure.
The Bosch 72137 filter is an American aftermarket filter with the Bosch name slapped on it. No one knows if it's suitable and fits the VW engine filtering requirements. I know of at least one person who removed this filter and it solved their oil pressure woes. Searching the web I found this information to support the claim it's inappropriate:
While both the STP and the Bosch filters were at one point good filters, they are now manufactured off shore of sub-standard parts. The filter assemblies tended not to have even pleats and generally less media than other comparable filters. There was also a complete lack of a well functioning by-pass valve. With most filters there is an obvious and discrete by-pass valve, but with these filters the can spring and the by-pass valve are the same. The real issue is that in order for the filter to properly by-pass the entire filter assembly would have to move down during use. That is actually not possible with filter assembly properly seating into the anti-drain back valve. This means that the by-pass will effectively never work.
See www.ntpog.org/reviews/filters/filters.shtml for more info and this other comprehensive filter study that talks about German filters. I came across this data in my search for appropriate Honda/Acura filters (these dudes are hard core).
Also see this message from Mark Dearing about a filter that was the cause of low (read no) oil pressure. This company refuses to sell Bosch filters because they claim it's caused 25 VW & Porsche engine failures.
VW Engines prefer BTDC timing such as 7.5 BTDC so why are some timed ATDC? Those engines will usually have a dual vacuum, dual advance distributor. Of those dual vacuum systems, one is a retard mechanism in addition to the vacuum advance. The retard is hooked up the manifold and retards the timing only at idle. The purpose of this is an attempt at a crude emissions control device: retarded timing results in fewer emissions at idle.
So you've got a worn out distributor in your bus and you are thinking about replacing it. It's worn out in one of several ways:
New Bosch "205" series stock distributors for Type 4 bus engines do not exist. Maybe there is one NOS unit a shelf somewhere but good luck finding it and I bet it will be at a VW dealer and cost $335.
Your choice for a replacement is 4-fold:
Before you consider the 009 (Bosch 0 231 178 009), stop and think: the 009 was NEVER installed on any model by VW at the factory. Don't believe it? Check out this section from the Bosch Application Guide and you'll notice that the 009 part number is completely skipped over. In other words never shipped on any make or model by VW, ever. What is it recommended for by Bosch? VW 55-67 Type 1 engines for off-road usage only.
It's practically kissing cousins with the rest of the inexpensive (read cheap) aftermarket junk: one size fits none so why do they sell? They are new and more predictable when fit to a new engine vs. reusing a used distributor (that and they cost resellers $10 to buy). Repair shops can't put used parts on new engine and not expect problems and since Bosch stopped selling the vacuum distributors, there was no choice for these shops and everyone has suffered since. In some cases where replacement vacuum cans exists, they were priced more than a complete 009.
Recently Bosch USA stopped selling the 009 (thank goodness) but it likely means the clones will simply increase further in price for those that insist on using it and/or the quality will suffer greatly. The 009 is only suitable for drag racing or running an industrial engine at a fixed RPM. Besides being new, they are sold with warnings such as "Legal in CA only for racing vehicles which may never be used upon a highway". Sounds fast, how can you resist?
Although unsuitable it will still allow your engine to operate just not as well as the stock distributor. The technical reason that the 009 is unsuitable is that it advances 20-22 degrees maximum under all conditions so the total advance from the static setting of 7.5 would be about 28-30 degrees. Since the VW engine needs varying amounts of advance under partial throttle conditions the ignition system can't keep up with the demands of the engine. This can be compensated for partially by setting the static advance to 10 degrees but since the 009 only has one advance spring inside (weak) instead of two (weak + strong), the maximum advance also comes in too fast (around 2600rpm).
When the 009's first appeared in the mid-seventies as a replacement for the 010, they were adopted by the performance crowd because their aftermarket carbs lacked the vacuum port to drive the vacuum can. Because the advance was too slow using the stock dizzy, the quicker advance of the 009 helped to compensate at the expense of a flat spot just off idle and poor gas mileage. The flat spot felt like a surge of power so everyone felt good about their purchase.
Of the three distributor types a) centrifugal only b) the very rare vacuum only c) mechanical/vacuum combination, the last is the most effective and was most widely installed by the factory.
If you want smooth running and good gas mileage, it's mandatory that your distributor have a vacuum can, just like the factory installed distributor does. The purpose of the advance side of the vacuum can is to fine tune the advance based on the engine rpm AND the throttle position. As you feather the pedal the total advance required is mechanical advance + vacuum advance. Eliminate the vacuum can and the ignition system cannot provide the correct amount of advance under 90% of all driving conditions.
The vacuum cans either have a single vacuum advance nipple or dual advance and retard nipples. The advance is necessary because under partial-throttle, the mixture leans out and this requires more advance in order to maximize the combustion process (better combustion -> increased pressure -> more torque). Retard was employed on/off by VW in order to meet emissions requirements. Any VW engine can be timed to operate using only advance (they are often timed with the 009 that lacked any advance after all!)
The vacuum advance port on the stock intake system is tapped off just upstream of the throttle plate and is connected to the vacuum advance nipple on the vacuum can by 3.5mm hose. When the plate is closed there is no vacuum but as you open the throttle the plate obscures the opening in the throttle body and a vacuum condition occurs. As the plate is opened further towards WOT the vacuum level decreases again. The vacuum can senses this and advances the timing by up to 10-12 degrees depending on the level of vacuum. Quite a few extra degrees of advance when compared to just the mechanical advance isn't it?
The vacuum retard port is always below the throttle plate and retards the timing at idle and high vacuum conditions. When both vacuum signals are strong, advance always overcomes retard because the advance diaphragm inside the can is disc shaped while the retard diaphragm is ring shaped with a smaller surface area.
So now you know the whys:
Folks have reported that Philbin does a decent rebuilding job. I have no idea how they rebuild but if I had to guess I'd say they rebush the body in two places using your distributor as a core. If you feel like trying it yourself, check out Glenn Ring's website.
The third option I originally mentioned is probably the best way to go. You get a new Mexican made genuine Bosch 0 231 170 034 (VW 043-905-205ZB) distributor that was installed on Mexican beetles by the Puebla factory. When the beetle ceased production in Mexico two years ago someone decided to import the surplus and post-production runs of new Bosch vacuum distributors that were fitted to those cars. It's a much better distributor for all around use. This distributor has a suitable mechanical advance for a bus engine AND comes with a suitable vacuum can.
The appearance of this distributor means that installing a 009 on a new engine is OUTMODED ADVICE. It's NO LONGER the best option out there for a new distributor.
Where can you find a new SVDA?
Aircooled.net (ACN) sells a modified version of this unit for $139 and CIP1.com also sells a lower priced vacuum can dizzy from Bruck for $99. The Bruck distributor is junk: you're throwing away $119.
I'm not sure what ACN does to their unit but I can say for certain that they are identical bodies. With the variety of dizzy models, they may make some modifications in order to sell them for a wide variety of engines. At one point they used to sell a remanufactured distributor from A-1 Cardone but the defect rate was over 50% so now you get a shiny new one from Mexico.
VW Bosch distributors are all basically the same and each model may vary slightly from one another by using different springs (how to advance, usually one or two slopes), by using a base plate with different stops (how much to advance) and using a different vacuum can which may or may not have a retard nipple (when to boost advance). The Mexican beetle dizzy which was used on the last Mexican production beetle has these spec according to oldvolkshome.com:
The late FI bus requires:
That seems so close that it's not worth performing any modification to the Mexican distributor at all it would seem, at least for the late bus application. Remember there is some hysteresis to the distributor curve (notice the range of values in the specs) so trying to optimize it any more is futile because each engine is slightly different.
I had the opportunity to spin up several distributors on a testing machine to verify how close they are in actual operation. My own distributor 021-905-205P was used as a baseline and I plotted the advance curves against the VW Mexico dizzy, ACN SVDA, and two other units from a 76 bus (021-905-205AB) and a 72 bus (021-905-205E).
As you can see, any of these units will work on a 2L FI bus, but the closer the curve is to the 205P, the better because VW chose this curve for the combustion chamber shape and cam profile used on the 2L.
Contrary to what you may have heard, this beetle dizzy does not have a retarded #3 cam lobe. The Type 1 vacuum only pre-doghouse cooler dizzies were the last to incorporate this kind of retard mechanism (thank again to Karl for this information).
What ACN does to their SVDA unit when they sell it for a stock FI bus is not disclosed by them. You have to buy it on faith that they know what they are doing because they are afraid of teaching other vendors their secrets who are able to purchase in greater quantities and sell at lower prices (aka price whores). You can't blame them for taking that attitude but you can see from the test results they are not modifying that unit to match the original bus FI distributor. It's so close to the VW Mexico dizzy stock beetle curve I'm still guessing what it is they are doing exactly.
CIP1.com often have 10% off sales and free shipping. Bus Depot also offers list member discounts which brings the price down also.
The only downside to the ZB distributor is that the vacuum can is in the location for a Type I engine. This only a 5 min. installation complication as the distributor works perfectly and you simply have to figure out which way to orient it to get the vacuum can to clear the fan shroud. This means rotating the distributor clockwise either 90 (notch points to #4 wire) or 180 degrees (notch points to #3 wire). I recommend the latter because it matches the original notch the best and will allow your can to clear the cold start valve on FI engines.
Because the position of the can is relative to the #1 TDC mark on the body of the distributor you will loose this notch as a reference as you swap the plug wires for the typical Type 4 spark plug order. Since the drive pinion underneath still needs to be indexed like the stock distributor so the vacuum is free to move as you adjust the timing, you have to mark a new #1 on body. This is not a big deal as all beetle dizzys including the 009 have this problem also.
To install the Mexican unit, start with the old distributor at #1 TDC before you pull it. Then mark the new distributor body 90, 180 and 270 degrees from the notch with a sharpie, then aim the rotor at the mark that allows the distributor to engage the drive pinion and still allow the vacuum can to clear the fan shroud. Remember the ignition wires have to go in the same position and order that they did on the factory Type 4 distributor.
If this is undesirable, you can remove the drive gear at the base of the distributor and re-install it 180 degrees (in fact, that's the only other way you can install it). When you do this, the rotor will point to the Type 1 notch on the SVDA and you'll have to re-order the plug wires on your distributor cap.
What about non-Bosch distributors?
The last option I mentioned was to buy a Mallory which has an excellent reputation as an aftermarket performance distributor. Just keep in mind that the Mallory is not designed for any specific engine. The Mallory application guide is primarily to lookup which of their model numbers will fit your engine. You'll need to configure an advance curve that is suitable for the bus engine otherwise the advantages of owning one will be lost in the upgrade. This means purchasing their curve kit (a set of springs and trying them out) and experimenting with the springs. They also make a version of their distributor with points and options include an optical pickup and/or vacuum can (which has a more limited range of 3-4 degrees than the Bosch vacuum cans).
I should also mention there is also the hard to find Bosch 050 distributor. It has more advance and it comes in quicker than the 009 but it's still not ideal compared to a vacuum can model for city and highway driving. It's not available new, only used.
There is some infor in the Type2.com library: www.type2.com/library/electrip/dist050.htm
Bus Boys sells a 5 pack of flywheel shims. Due to a goof in the BB catalog, the 5 pack is only listed on the Vanagon page (021-105-280):
Parts Numbers at Bus Boys: www.bus-boys.com/parts1.9.html#flywheel
If you measured your endplay before removal you can just buy the shim you need and bracket it with one size up and one down so you don't exceed the endplay spec due to possible measurement error. 0.09mm is a good endplay value to try to achieve.
You should use a micrometer to measure the shims after you get them, any that do not measure evenly at the four cardinal points should be returned. Any that are warped should also be returned. A dial caliper will do in a pinch.
When resetting the endplay and you have the option of reusing your original shims, it's probably a good idea to re-use the middle shim only (if it even measures up) compared to using the outer two shims that have worn against the two thrust surfaces.
Bentley makes no mention of setting the engine to #1 TDC before checking the endplay. I've read that some VW mechanics like to do this but I don't know why. I've skipped this step without any issues. Folks that use dye to flatten the thrust bearing surface before setting the endplay are true professionals.
There are a couple of "purple" cleaners. One is made by Castrol called Super Clean and there is a cheaper brand called Purple Power among others. Whichever brand is available to you, it should contain 2-Butoxyethanol and this will cut through the oil and grease and grime on the bottom of your engine. They seem safe to use on plastics like the FI wiring harness.
I've tried the citrus based degreasers and they although they work well the cost is high and the smell they leave behind is potent. In fact the smell while you are using them can overcome out if you don't wear a ventilating mask. Simple Green is a poplar formula but I find it too gentle and ineffective.
If you've got a 68-71 bus with a Type I engine one of the most onerous tasks is breaking torque on the gland nut to remove the flywheel. This sucker is torqued to 253 ft. lbs and beyond especially if some nut used an impact driver.
The gland nut eats 1/2" drive breaker bars for lunch just as the rear axle nut does. At this level of torque you need 3/4" drive tools to get the job done. Get a 3/4" drive 18" sliding t-handle from Sears (#4443). Now you need a 36mm socket designed for 3/4" drive which is harder to find because all the EMPI 36mm sockets are designed for 1/2" drive.
Snap-on naturally sells these sockets but at a price. For about half price you can get a top quality socket from SK:
I prefer the impact finish for two reasons: it's 6 sided and the finish will let you use it to drive a cv joint back onto the axle whereas the chrome finish will chip off.
Why doesn't this new oil drain plug fit? Because there are two oil drain plugs used on the Type 4 case:
Some of the original bolts had hex cap heads while some were allen keyed and used a dished plastic washer. I've only seen one other of the socket cap (allen) head bolts at the junkyard so I don't know how rare it is.
Substitutes from Audi/VW/Porsche/etc dealer:
The strainer is different from the Type I engine (which lacks an oil drain plug) and that bolt is also different:
Word of caution about the Type 4 strainer bolt:
The strainer bolts secures the strainer cover by screwing into the oil pickup tube. The pickup tube is bolted to the center saddle for the camshaft. Over torque the bolt and you will crack the boss!
The torque spec is 7-9 ft. lbs. and no more. If you have a 10-100 ft. lbs torque wrench keep in mind it's only accurate from 20 -100 ft. lbs (the lower 20% of the max value of any torque wrench is wildly inaccurate). This bolt is the #1 reason you should own an inch lbs torque wrench. You need one that goes to 300 in lbs (25 ft. lbs) maximum for VW engine work.
Oil leaks can occur is so many places your chance of inheriting a dry engine are pretty low. Here's the run down (we've already covered valve cover leaks).
1. It's not uncommon for oil to come out of the dipstick tube. There is supposed to be a small cord wrapped around the stick inside the cup at the end.
2. The dipstick tube passes through the fan shroud of 72-79 buses and the rubber boot that connects it to the oil filler tube cracks and leaks.
3. The oil drain plug and oil strainer on the bottom can be the victim of stripped screws. The oil strainer requiers two gaskets and the inspection plate in the corner requires an o-ring.
4. Because there is positive crankcase pressure oil will make it's way out of the oil filler. The cap is suppose to have a rubber gasket seated in it and the plastic section of the filler must seat correctly over the metal pipe which has two cut outs to orient it. The plastic opening is held on very tightly with a corbin ring clamp. Lacking the gasket will cause of build up of white foam condensation when the engine doesn't have enough time to warm up.
5. The oil pressure relief cap can be loose. The slot is too large for a screwdriver so you'll have to use your imagination or make the correct tool for it.
Photo of oil pressure relief socket
6. The two seals behind the oil cooler are another possible cause. Some folks make the mistake of putting the two washer like looking spacers behind the oil cooler when they should be under the nuts on the front or forgetting them all together.
7. The oil pressure sender will leak if it's not tightened properly or if the threads have been stripped. There is no torque value specified (which means very little) so be careful. If you have a sender with tapered threads put it in as is. If your sender has straight threads then use a copper washer to help seal it.
8. The distributor has an o-ring that tends to bake with heat and become brittle. It needs to be replaced when the engine is overhauled.
9. If it's neither or the leaks above then you may have a leak due to a case thru bolt. The factory applied a little bit of sealant to the bolts and washers to stop leaks.
10. A cork gasket sits between the PCV valve and the oil breather chimney. I've never seen a leak there so be aware that a gasket is located there.
That's it for the minor oil leaks. The rest are due to push rod tube seals, leaks at the cylinder/case mating surfaces, major seal failures at either end of the crankshaft or heaven help you, a blown oil gallery plug.
The push rod o-rings are a special size:
021 109 345A - case side - 21.3 mm ID 021 109 349B - head side - 25.1 mm ID
It's very important to be in the habit of checking your spark plugs every 3k miles with the oil change. Although it's harder to read plugs now that all fuels are unleaded this is your only clue that the induction system is unbalanced. I don't know how fast a head can burn but if one of the plugs is heat damaged or whiter than the rest it indicates an air/fuel problem very early on. From hearing stories about head failure you learn to be maniacal about monitoring the engine.
Heads burn up because they run too lean, get too hot and the valve and seats and gaskets fail. If you have carbs make sure that when you are balancing always richen up a lean carb than the other way around to achieve balance. Have the exhaust checked on a CO analyzer and make sure the engine isn't running too lean. 79 CA models with the O2 sensor need to run < 1% CO and those heads will never last as long as an earlier model designed to run 1.5-2.5% CO.
If your engine is fuel injected have the fuel injectors cleaned and tested every 100k miles. A poorly flowing injector is going to lean out the combustion chamber because the unburned fuel will leave unburned air to heat up as the explosion occurs. A faulty injector results in a rough idle and a quick test by disconnecting the power to each one will determine the bad injector. Perform this by removing the electrical connector from the top. Sometimes they pull off easily, sometimes you need to put a little pick under the wire before you pull it off. This test isn't conclusive because the bad running cylinder could also be due to a bad spark plug or spark plug wire so you'll need to test that as well.
If you're valves aren't adjusted then your heads could be suffering unnecessarily. A value that has too much preload is going to leave the valve open and cause it to burn. Exhaust valves burn because of the combustion temps: the valve seat contacting the valve draws the combustion heat away so adjustment is critical for compression sake AND cooling. The intake valves are cooled by the flow of incoming air and fuel and tend not to burn. They have a larger surface area which also helps to that effect.
If you look at the tin on your engine you'll see two white markings. One is a 3 digit number above the alternator beside the air heater hose and the other is on the tin to the left of the ignition coil.
Photo of number and I.O. Photo
I believe the 3 digit number, on my engine it's 429, is a daily production stamp to keep the engines in order. The "I.O" is German for "in Ordnung" which means the motor has passed the quality inspection.
Assuming your valves are adjusting correctly, the popping is because the mixture is too lean.
Which was does the engine seal go? There is a solid shiny side and the other has an open cell foam design. The shiny side goes down towards the road.
Another question that's often asked is where should the gap go. The fiche shows the seal meeting in front of the fan (#34) but maybe people install it with the gap towards the firewall so if the gap widens hot air rising from the muffler won't rise into the engine compartment.
If you are thinking of buying a bus and there is no engine seal, run away! The 72-79 foam seal is essential for keeping the hot air produced by the engine and the exhaust from entering the engine compartment and being ingested by the intake. If you've ever noticed the engine temps climb drastically when it's hot outside you can understand how the lack of a seal is really bad for the engine.
Besides keeping the engine cool, it also help to keep it clean. Any dirt that enters would simply clog up the air filter. It also keeps the weather out. Just look at the risers from the heater boxes to the hoses that run to the booster fan: rusty below the seal, painted above.
New seals only cost $20 and they can be installed with the engine in place. You'll also want to make sure the hole in the tin for the EGR pipe is blocked off and the spark plug boots are sealing properly.
If you can smell exhaust and you have new seals then you may be getting exhaust in through the engine lid seal itself. The stock exhaust exited to the left and right of the bus not straight back like the beetle, even when the Type I engine was used.
The Type 4 engines have several markings:
Now, none of this would be important if it weren't for PO's. Because of them you can't be sure that you've really been sold a 2L engine as they may have swapped the heads, the fan shroud, etc. See the Type 4: Secret's Revealed website to verify your part numbers.
The VIN is also stamped into the body just right of the left corner of the engine lid opening. It matches the label in the driver's door jam and the tag riveted to the dashboard.
If you see an engine number like this it means it was rebuilt by VW South Africa in Uitenhage. North American rebuilds were done by VW of Canada and they simply put a sticker on the fan shroud to indicate the engine was rebuilt by VW.
The stock Type 4 fan is rated at 800 litres/s (1700 CFM) at 4,600 rpm. It's no Porsche 911 fan but it's still mighty.
The Type 1 fan is rated 1260 CFM at 4,000 rpm. Consider the fact the Type 1 fan is turning at 1.8x engine speed while the Type 4 fan is turning 1:1 with the crank.
About $1300 for a Type 4 motor which good quality parts not including labor. This is about the same price as buying an AVP long block from Bus Depot before sending your core back to AVP, again not including labor.
By picking your own parts and machine shop you'll end up with a better engine but be advised you'll need to skills and tools and time to assemble it (well worth it if you have all three of those) as well as a trustworthy machine shops. Unfortunately the supply of "old German guys" at machine shops has dried up with the availability of parts and buses on the road. Not only that but those with Type 4 experience are even harder to locate. If you can't trust your machine shop to do absolutely the best work available for VWs you'll be better off buying a rebuild with a warranty. This means shipping your parts to a machine shop in another city. For most folks that simply want to drive and enjoy their bus, the AVP route is far more convenient as well as being as safe investment of your money.
The Type 4 engine will never be as inexpensive to rebuild as a Type I motor simple because bottom of the barrel parts do not exist as an option.
A top end rebuild costs only as much as the heads cost unless you also need pistons and cylinders. Heads vary from place to place but whomever you get heads from should be doing the updated valve seat modifications that VW never did. The valve seats easily drop on overheated Type 4 engines and you can find yourself replacing the heads as soon as 5k miles in extreme cases. Even 20k miles is too short a life for a set of heads. You should be able to get 100k out of them.
You must have your head work done by a VW shop like Rimco or Headflow Masters if you expect them to last. If you but your heads from AVP they are already upgraded to minimize seat failure. Avoid NOS heads unless you are planning to have the seats modified by one of those shops before installation.
Be sure to break in your engine properly after a full rebuild:
If you bus is going to sit for months at a time you should prep it so you will not have any difficulty when you try to use it later.
The firing order is 1-4-3-2. Looking at the engine from the rear it's:
firewall 3 1 4 2 muffler
The numbers are writing on the tin of the Type 4 engine but your tin is probably so rusty you can see the numbers by the spark plug holes. The firing order is also written on the tin above the coil, and on the Type I engine it's stamped on the generator stand. Look for the word Zundfolge which is German for "firing order".
VW says it can be as high as 2.4 qt. per 1000 miles and still be considered normal.
See Checking the Engine Oil instructions in the owner's manual.
Bentley makes no mention of the exactly values of manifold vacuum level which is a pity because it's a traditional way of diagnosing engine running order and important for long term engine health.
The engine in your VW is basically an air pump albeit a gasoline fueled one. Air and fuel are mixed at the correct ratio, the cylinder and rings compress the fuel into a small area and a perfectly timed spark occurs which causes the air/fuel mixture to explode, expand and push the cylinder back down to complete another cycle.
The vacuum level is a measurement of the difference of between the atmospheric air pressure and the pressure within the engine caused by the pumping of the cylinders. Every time the cylinder travels down on it's intake stroke it sucks in air through the intake manifold and creates a partial vacuum condition by this action. Because the combustion chamber has to be sealed for combustion efficiency you can learn about the state of the engine running order by watching the gauge as you advance the engine speeds, shut off the throttle, decelerate, etc.
The idle vacuum level is affected by the sealing ability of the rings and valves. If you have low compress readings and/or your leak down tester reports some leakage then your vacuum level is be lower than normal.
To read the vacuum level you need a vacuum gauge and a place to attach it. On a VW engine there are usually two located to read vacuum but they are not the same. One usually reports ported vacuum and one manifold vacuum. In a nutshell, ported vacuum is available only above idle. There is no reading at idle because the port is located at the throttle body in such a place that there is no reading while the throttle butterfly is closed. Hoses are attached at this location to signal other engine components such as the advance mechanism in the vacuum can on the distributor to advance the timing when the throttle is opened.
Manifold vacuum is present at all times while the engine is running and on a FI engine you can find the port of either the left or right side of the plenum. To attach your gauge tee into that line. If you simply unhook the hose that is there, the engine will run rich and affect your reading slightly because that hose leads to the fuel pressure regulator which requires a manifold vacuum signal to adjust the fuel pressure.
A healthy stock VW engine at idle normally reads 15-18" of vacuum but that reading depends on the timing (advance vs. retard) and the altitude you are taking the reading at. For exampleL
If your reading is too low then you probably have a vacuum leak. This leak is a missing or poorly fitting hose or seal somewhere on the engine and it is allowing air to enter through an unwanted passage. The next result is that air unmetered by the air flow meter(or carburetor) is entering the engine and leaning out the air fuel mixture. This causes the engine to run hot and aircooled heads eventually failure prematurely when run for a long time under these conditions.
Techniques for finding the leak vary: soapy water sprayed on hose connections, butane/propane aimed at potential leak. Whatever the technique the idea is that when the air leak is temporarily removed or a source of fuel injected in the idle will change and you will have found your leak. I've tried to listen for leaks using the paper towel cardboard roll but there is too much noise from the intake to listen for a leak, especially with the EGR pipe attached and operating.
Performing a leakdown test is a little harder than performing a compression test but it reveals a lot more about the state of the engine. A leakdown tester (or differential cylinder pressure tester) is quite affordable but the main reason folks don't perform it more often is because it requires a supply of compressed air. The test is simple:
The less leakdown the better up to a point. For example, if the second gauge reads 96 psi then the leakdown is 4%. This would be a typical result from a healthy cylinder. 10-20% or higher would indicate a problem. The severity increases with lower leakdown numbers just as lower compression test numbers indicate increasing problems.
So where does the air go? Each cylinder is never 100% air tight. If it was it would seize or wear severely so some of the air is intended to bypass the piston rings. This is called blow-by during combustion and a small amount is normal. Conversely some oil from the crankcase enters the combustion chamber under vacuum this way and why the engine slowly burns oil.
During the test, the escaping air indicates where the problem lies with the cylinder head:
A leakdown test is most useful in determining if you valves are closing 100%. This can be complicated by hydraulic lifter engines more so than solid lifter engines. The reason for this is that the required lifter preload with the ability of the lifter to pump up too much can cause the valve to remain open. When this happens to intake valves you lose some power and get backfiring in the intake. When this happens to exhaust valves, they burn because they are subjected to extreme heat expelling the gases after combustion and cannot fully utilize the valve seat to transfer heat to the head.
If you have a source of compressed air or have a neighbor who has one, I highly recommend getting one of these gauges. Two styles exist: two pressure gauge models and one pressure gauge models. I would go with two because it's much easier to read the leakdown when you can see the reference pressure on the second gauge at the same time to more easily read your percentage.
See my Oil Selection technical article.
1800cc heads come in two varieties because they were fitted to 74 Type 4 carburetor engines and 75 Type 4 FI engine. The FI version has a blind hole near intake #3 for the temp sensor II. If you use this head as part of your engine project you don't have to worry about the hole because it's blind.
If you have the head from the 74 bus, then you'll notice two holes on either side of the intakes. These are not breather openings to vent pressure from behind the valve cover. They are air injection holes to allow oxygen to be introduced into the exhaust stream to help burn unburned mixture (after burning). Two tubes were hooked up to those ports which lead to an air pump that way driven off the pulley. Removing the air pump is a good ideal because it's overly complicated and not very effective.
Some people rebuild their engine using these heads and have no idea why there is soot in the engine compartment or why it's so noisy. The holes have to be plugged up after the pump is removed. Two tubes are screwed into the holes and they are difficult to remove sometimes without stripping the threads. After removing the tubes you need to plug the holes and the best way to do it is with a 10x1 valve adjusting screw and some Loctite 518. If the threads are in bad shape you will have to chase them with a tap to clean up the threads.
The throttle body gasket which is made of rubber goes hard and can be the source of a vacuum leak. It's hard to find; NLA through VW. Fortunately the Vanagon gasket which is still available is nearly identical and can be used with no ill effects.
Give Pelican Parts a try for the original one by looking in their 914 section or give the 022 number to the Porsche dealer (where Pelican sources them from).
This problem goes by many names: dropped valve, dropped seats, sunken valves, etc. Basically what has happened is that the valve instead of sitting on it's seat flush with the combustion chamber has moved towards the valve cover because of the spring pulling on it. This has either happened because the valve itself has burned and changed shape or the seat has broke/moved or both.
The seat is an insert that was added sometime before unleaded fuels were introduced. A long time ago the seat was simply cut out of the head and the lead in the fuel lubricated valve contacting the seat area. When leaded fuel disappeared everyone was lead to believe (pun not intended) their engines would wear out but it wasn't the case.
If you do not adjust your valves properly every 3k miles you WILL eventually have problems. Adjustment is simply a matter of checking the gap between the valve adjusting screw and the valve stem. The gap should be staying the same or even becoming wider at each adjustment. If a valve doesn't seem to hold its adjustment for very long and is getting smaller then you can be assured that your valve seats are moving and you best remedy the situation before damage occurs.
Head replacement is easy once the engine is out (the hard part). You can replace the heads with the engine in the bus but it ends up being much more work because of the awkwardness of the working area.
Why do weather changes like rain or heavy humidity lower the engine performance? It all has to do with combustion chemistry and the fact that water is LIGHTER than air.
Water has an approximate atomic weight of 18. Diatomic oxygen weighs 32 and diatomic nitrogen weighs 28.
Avogadro's law states that for a given volume at a fixed temperature and pressure the same number of molecules exist no matter what gas is used. For each molecule of water added due to rain, an equal number of oxygen or nitrogen molecules leave. Since both of those elements weigh more than water the air density actually decreases.
Therefore cool dry air is denser than cool wet air. Not only that but each molecule of water has one less oxygen component so the combustion chemistry changes. Water is not a desirable reactant or catalyst.
When the mixture is upset in this way, engine performance suffers. What about altitude?
At 5,000 ft. above sea level, there is 14% less oxygen in a given volume of air. At 10,000 ft. that amount drops to 30% less. Not only is the engine getting less oxygen by mass it's also getting less by volume because the atmospheric pressure is lower and this means the cylinders fill up with less air during each cycle. The cure? Lean out the mixture slightly or advance the timing if driving at altitude for long periods of time.
What should the maximum advance be is often asked. Checking the timing of your engine at maximum advance is a good technique that may prevent your engine from damage if the advance were set too far based on the idle (static) setting. The 009 distributor is timed this way because it's curve is not suitable to any VW and because the actual curve varies according to manufacturing differences. By timing the engine at maximum regardless of your distributor, you can figure out what the idle advance should be. Most of the time it will be spec.
For Type 4 engines, some say the rule of thumb is 28-32 degrees at 2500rpm, some give other advance numbers, some other rpm numbers so they are hard to compare. The actual setting depends on the specific distributor and the engine. Ignoring the state of the engine, the mechanical advance will be close to the Bentley spec + initial static advance. For example:
021-905-205P timed at idle to 7.5 BTDC:
Bentley says the vacuum advance is 8-13 deg @ 1600rpm and 20.5-24.5 deg at 3400rpm. When I actually test the distributor I get:
7 deg at 1600rpm and 24 deg at 3400rpm. It's a little slow to kick in but all there at the end.
7.5 BTDC + 24 = 31.5 deg at maximum RPM. This is right near the limit of the rule of thumb recommendation and if I set it to 28 degrees, my bus would loose a little bit of oomph.
Where this gets tricky is the vacuum advance (and retard if you have it). The advance is based on the level of ported vacuum:
The actually timing is going to vary according to the way the engine breathes. You can't rev the engine at idle and watch the advance because this is not the same as pressing the gas pedal under load.
Figuring there will be times where the vac advance is maximum you have to add it the max advance to calculate the theoretical total:
7.5 BTDC + 31.5 + 11 = 42.5 deg max.
However you CANNOT time the engine for max advance this way with the vacuum can connected. Setting the max advance with the can disconnected to 31.5 degrees would be fine, setting it to 42.5 degrees would be a disaster with or without the can connected.
So, what is the safe maximum total advance? Someone suggested 40 deg at 3500rpm.
If you are seeing that in the shop I would say it's too much. On the highway you'd see those figures because of the vacuum can.
If you want to know how much advance will causing pinking, I've always been afraid to find out but I'll take a guess it occurs at 48 degrees. With a safety margin of 4 degrees I would say that 44 degrees is the maximum advance you'd want to have on a Type 4 engine but it only applies to conditions of partial throttle.
Testing the vacuum can is very important. If the advance is broken the engine will run hot on the highway because partial throttle conditions are lean and take longer to burn. The simplest way is to set the engine timing to 5 ATDC and lower the rpms below the mechanical advance range accounting for the can's advance specs. With the retard also disabled (if present), use a MityVac to pump up the can 1" of vacuum at a time and record how much the timing advances with a timing light. Compare the results to Bentley.
Retard works the opposite: as the vacuum level decreases the timing increases. This is accomplished by connecting that half of the can to manifold vacuum. According to Bosch, the advance half of the can always overcomes the retard half when in competition because the advance diaphragm is a disc and the other is a ring. I also suspect that because the two springs inside have different spring rates they can fine tune the settings during manufacture.
All of the retard should go away just off idle but you have to test this to be sure. If the can is broken you will find that it takes a long time for the engine to setting back down to idle after you release the throttle.
If your advance is broken, you need to remedy the situation immediately otherwise you might overheat you heads. Either retime the engine for some more advance or replace the vacuum can (recommended). Unfortunately a lot of these cans are now NLA which means finding a substitute. If you have an advance/retard can you can replace it with advance only but you must time the engine BTDC. If you use the original ATDC or TDC setting the engine will feel sluggish at all times and overheat.
Now what if your retard is broken? Disconnect it and seal up the nipple on the carb/plenum then have to look at the specs in Bentley to figure out how to retime the engine.
For example, the 021-905-205E distributor is timed at 5 ATDC and the vacuum can retard 11-15 degrees @ 5.9-6.7". This means all of the retard will disappear when the manifold vacuum drops 5.9-6.7" from idle. Assuming it all goes away eventually, 5 deg ATDC + 11-15 degrees = 6-10 deg BTDC. I would set the timing half way to 7.5 or 8 BTDC.
You may have read a Hoover article or that section in the Bill Fisher book about painting your cylinders black to help them cool. THIS WAS A FAD so don't do it.
VW aircooled cylinders are cooled by forced convection from the cooling fan not by the radiative properties of the cylinders. Want proof? Feel the engine tin that covers the cylinders. When the engine is first started it's cold and when the engine reaches operating temperature it's warm. If radiation was a significant factor in cooling the tin would get very hot very quickly.
Most people that attempt to paint their cylinders make matters worse than the factory setup:
The bare casting cools best. Hoover suggested a very very thing flat black layer or perhaps a type of anodizing. For the effort involved there is no discernible cooling improvement because the forced convective cooling accounts for 99% of the cooling.
Everything you've heard about synthetic oil and VWs is usually a series of falsehoods passed down generationally by the same people who recommend single weight oils for engines.
When a new product like electronic ignition, or multi-grade oils fail they often carry the stigma with them for decades especially when the engines under consideration are no longer being produced and hence no updates or information from the factory.
Myth: synthetic oil retains heat.
Somebody came to this conclusion by observing that the oil temperatures dropped slightly with synthetic oil when compared to conventional oil and decided this was bad for the VW engine that needs to shed heat. The real reason is that synthetic oil results in less internal friction in the engine because it works better than conventional oils so less heat is produced in the first place. In other words, synthetic oil is better at lubricating the engine.
Myth: synthetic oil will cause more oil leaks.
This one has been handed down for the days of antique cars. Any modern engine like a VW won't leak more oil just because you switch to synthetic. If you have oil/fuel soaked seals or old dried out seals, you might see additional seepage but if you have a dry engine, synthetic oil will not make a difference.
Myth: synthetic oil will is too slippery.
If you are breaking in the engine you shouldn't use synthetic because the rings many not seat within the first 1000 miles as they are supposed to. Once the engine has been broken in with conventional oil, you can switch to synthetic which is probably best to do after 3k miles.
The distributor drive pinion has to be indexed after the engine is assembled. When cylinder #1 is TDC at the end of the compression stroke, the slot in the drive pinion has to be 12 degrees from the case parting line on the Type 4 engine. Budget engine rebuilders and hobbyists make two common mistakes:
1) The drive pinion is off by one or more teeth. Since there are 12 teeth, each tooth adds or subtracts 30 degrees so the common index is often incorrectly set to 42 degrees or -18 degrees.
2) The drive pinion is 180 degrees out. This causes the rotor to point to #3 instead of #1. The reason for this is that the slot is not centered: if you bisect the pinion along the top you'll notice that the centerline doesn't run down the center of the slot. The slot must be facing the left side of the engine case to be indexed correctly.
How long should you wait idling in the driveway before the engine is warmed up? Some people think you should drive away immediately having heard it from an old Porsche mechanic while others disagree but how long should you wait?
What about the advice in the owner's manual telling you to drive off and not let the engine idle? Well, engines have to idle anyway and that advice only applies to a new engine. When the engine gets 50-60k miles it will loosen up and you'll be able to hear the heads ratting. As the engine heats up and expands the rattling ceases. Now, do you really want to drive the engine in this condition?
When the engine is warm, the cylinder head temperature is approximately 300F at idle. This takes several minutes to achieve even after you've driven off right away. Wait until the head temperature is at least 200F.
I prefer to wait until the idle rpms have at least settled down below 1000 rpm (875 is the idle spec for my engine when warm). The engine much runs smoother if you wait. If you have FI, you'll have to avoid using the pedal otherwise the ECU will exit its cold start mode and the idle rpms will drop even though the engine is cold.
When it's really cold outside, one indicator I use is the water vapor from the exhaust. Typically a lot comes out and when it stops the engine is warmed up enough to have burned it all off. This can take 5 minutes to achieve.
I wouldn't mess with the input shaft seal on the transmission if you don't have to. Removing the bell housing is the easiest way to replace it.
Bosch Spark Plug Numbering System
The higher the numeric number, the greater the heat range. This is the opposite of the NGK numbering system.
NGK Spark Plug Numbering System
Unless you make severe changes to the combustion chamber, compression ratio, etc you should never move more than one position in heat range (i.e. from 8 to 7) or you will have ignition problems.
The most common bus spark plugs is Bosch Super W8CC copper plugs. What plug you use depends on the climate where you live: use W8CC then switch to W7CC when the ambient temperatures are high.
If you do an excessive amount of highway driving it's also recommended to switch to the cooler W7CC plug. When should you switch from one to the other? VW's specs:
| Plug | Stock# | Engine | Application | Temperature | NGK equivalent |
|---|---|---|---|---|---|
| W8CC | 7504 | Type 4 bus engine | carbs | up to 25C | B5ES |
| W7CC | 7598 | Type 4 bus engine | carbs | above 25C | B6ES |
| W8CC0 | n/a | Type 4 bus engine | L-Jet | up to 25C | n/a |
| W7CC0 | n/a | Type 4 bus engine | L-Jet | above 25C | n/a |
Here's an easy way to remember which plug to use: when it's consistently 77F outside or warmer, switch to W7CC.
The plugs with a "0" after the designator code are long life versions of the standard plugs. They are double the price, hard to find and don't last more than 2x as long so you don't need to search them out: just use regular versions.
Less common are W_DC and W_DTC style plugs. W_DC has a projected nose and the W_DTC has three ground electrodes. There's no benefit to using the triple electrode plug but the projected nose is preferred by many owners. I can't substantiate these claims yet.
It's been widely reported that nothing else works as well using the stock copper based plugs and spending any more than $1.50 - $2.00 per plug is a waste of money. In other words, Platinum plugs cost more and provide no benefits in the VW air-cooled ignition system.
In 2007, Bosch came out with the Super Plus Copper/Yttrium electrode plug. This is an extended life version of the Bosch Super copper plugs. Look for W8CC+ (7904) and W7CC+ (7998) at your local auto parts store.
Stick with the stock gap of 0.7mm. There's no need to change it unless you are swapping out the stock ignition system.
Hylomar is what I've recommend for "sealing" valve covers. For years I've told people to buy Permatex #25249 Hylomar HPF. It was a small inexpensive tube called by most of the US based auto parts chains but it is no longer available.
The company that supplied Permatex as the primary North American supplier decided they wanted to do world-wide distribution themselves and jacked the wholesale price for Permatex by 10x. Needless to say, Permatex stopped selling it and the supplier never brought it into the market to my knowledge.
Permatex had no equivalent product to substitute at this time and they received a lot of complaints...Fast forward to 2011 and I'm happy to report that Permatex is now again selling Hylomar.
Start your search with your local auto parts chain looking for the Permatex carded packaging.
If you do a web search, you'll find that there are several different Hylomar sites out there all with similar domain names (hylomar-usa.com, hylomarusa.com). They have all now been consolidated into the same USA based Lube-O-Seal website.
It was always available in a larger tube from Hylomar USA but the price was ridiculous.
Where is the best deal at the moment? British Atlantic sells a 100g tube for $10.95 but shipping will almost double the cost. This tube will last for years and years even if you share it with friends.
X-1R Performance Products sells 35ml tubes ($4.99) with a better shipping rate but there is a $10/min order. This is waived if you buy it through their eBay store. Search for Seller: x1rcorp
VW modified the oil lubrication system over the years. They all share the basic design and you can see the modifications made in this animated diagram:
01/31/08 - With help from friends, I finally understand what the codes on the side of Bosch distributors stand for. Take the one in my bus: JFUD 4 (left arrow).
J - 1st Position [Housing Diameter]:
J, JG, JH, JN or JGN = up to 70mm P, PG, PH, PN, PGN = from 71 to 83mm T, TG, TH, TN or TGN = from 84mm
FU - 2nd position [options]:
F = Mechanical advance U = Vacuum advance Y = additional mechanical advance (e.g. butterfly linkage) M = shielded (for radio interference) D = RPM limiter R = Rotor with resistor Z = Distributor with dual points S = Sport X = Special (e.g. impulse pickup, tach-hookup)
4 - 3rd position [# of cylinders].
Left arrow - last position [direction of rotation].
Thank you Detlef and Marcus.
Type 4:
Type 1:
Don't do it. The stock fuel injection is the best running system for a 75-79 bus. Here are some reasons not to switch:
See my Vacuum Hose diagrams to get your system straight and running correctly.
If you must install carbs, read this article on sizing and selection.
74-78 and 79 Federal busses were fit with an Exhaust Gas Recirculation System. It consisted of a filter and pipe to take exhaust gas and reintroduce it into the intake to reduce the combustion temperatures. Technically what's happening is that oxygen depleted exhaust is replacing oxygen rich air (21% rich to begin with), altering the air-fuel chemistry. When mixtures are so lean that combustion temps are unnaturally high this helps to reduce them. The worst part about EGR is that the valve opens just off idle and it dumps a lot of air into the combustion chamber. This causes the vacuum to temporarily drop more that usual and the engine hesitates for a second.
You do not need the system in order to make the engine run but it should be present if you wish to pass your smog test. The exhaust gas is oxygen depleted and this has the effect of richening the mixture and lowering the cylinder head temps. The end goal is to produce less smog: NOx gasses.
The system is usually controlled by a valve on the intake that holds the exhaust back when the engine is at idle and full throttle (WOT). You cannot remove the valve or filter without blocking them off otherwise you will introduce an air leak (aka false air) that contains oxygen and lean out your engine too much.
Be advised that federal laws prohibits modification of the emission system of your car no matter what the state laws say about vehicle age and exemption from smog tests etc.
If you have to block it off, all you need is a small plate and gasket to block up the port on the exhaust. The valve on the plenum also needs to be blocked and the easiest way is to cut the pipe, bend it over and solder it closed.
To reset the EGR light remove the driver's side kick panel and press the white button on the box halfway down the speedometer cable until you hear a loud click. The light will come back on again in 15k miles. It's purpose was to remind you go into the dealership to have your emissions system checked:

Emissions notice in Owner's manual.
Wiring:
If you look at the wiring diagrams you'll find some variation between models:
The photos is of the 1978 USA version so there is only one switch to press.
Canadian models were free of all these hassles despite the EGR equipment on board thanks to differences in the regulations.
Idea: Convert your EGR light to an oil change reminder.
The rubber filler neck tears and causes fuel to leak into your engine compartment or at least produce gasoline fumes. Replacement usually requires engine removal in order to access the interior of the body. Every worried that part of the gas pump may fall into your tank? It can happen:
If you've got a CA model the neck has a smaller opening to restrict a leaded fuel hose from being inserted. It is affectionately called the bird beak and part of it may have fallen off inside your tank as it slowly ripped from contact with the pump nozzle. When it blocks the fuel tank outlet it causes fuel starvation and the pump starts to cavitate and burn out from lack of lubrication.
The only replacement neck available is the unrestricted version (leaded fuel opening). If you live in an area that has smog tests and they check your filler opening to see if it's the correct one you have three options:
Yes. It keep gasoline fumes from filling the engine compartment and burns the gasoline fumes instead of venting them to the atmosphere. If you smell fumes, one of the hoses is rotten:
See this diagram for more information.
The oval shaped canister was part number 113 201 801A and In 78 the canister changed to a cylindrical shape and was relocated behind the main battery. The cylindrical canister was 171 201 801A. Both cans have been superseded by 175 201 801A. Unfortunately this can is from another VW model and has a tapered shape. It will fit behind the battery in the 78-79 models but not the earlier ones. At least it won't fit the clamps but it can still be mounted with some creative mounting. The price varies from dealer to dealer but usually ranges between $58 and $76 US. Bus Depot also carries it.
How often should you change your fuel lines? If you use the wrong sized American hoses from the auto parts store then every year. If you use quality German hoses that's the correct metric size then every 5 years would be a good idea to combat the ever changing fuel formulas.
If you've just bought a new bus, change the fuel lines right away. If you are planning on purchasing a bus and driving it home a long distance, such as across state, change the fuel lines before you leave so you don't accidentally catch the engine on fire and burn down your bus.
The fuel tank introduced in 68 was 60L (15.9 gal). The Type 4 engine equipped bus fuel tanks are a slightly different shape and hold 55L (14.6 gal).
Replacing your tank means finding one that's similar enough to strap down to the body and hooking up all the fuel and venting lines. In general the groupings are 68-71, 72 - mid 73, mid 73 - 79 but keep in mind only the FI tanks have the return line on the bottom.
The tank changed mid 1973 to accomodate a new screw in style fuel sender. If you are willing to go back to the older style of sender AND gauge you can use an earlier 72 - mid 73 tank.
M157 is the m-code description the evaporative system for fuel vapor recovery. It's a master m-code for other m-codes.
The panel lifts out from the bottom and then you slide it down to remove it completely. Before it can be removed two phillips screws under the body have to be removed in addition to the six visible ones (the screws highlighted in gray are hidden from below):
Some of the earlier baywindow models have more than 2 screws below. Check near the transmission carrier which may obscure them.
SB42 was the most recent Senate Bill in California that governed vehicles which are exempt from smog testing. It stated that any vehicle 30 year or older was exempt from testing. For example, as of Jan 1st 2004, 1975 and older vehicles became exempt. In 2005, 1976 model became be exempt, etc. Remember that if you have a 76 bus built between 8/75 and 12/75 it is still considered a 1976 model because they go by model year, not date of manufacture.
Recently, the breather afforded to us in SB42 came under attack again with AB2683 which was signed into law by the Gubernator. The previous rolling exemption is now frozen again at 1975 vehicles. If you have a 76 or later bus you will be smogging it ad infinitum or at least until they change the law again. Quite bad news for us and really unfair since the FI busses from 75-79 pollute a lot less than the earlier dual carb models.
On the 72-74 dual carb engines there is an air pump mounted on the fan shroud and it was powered by a belt running on an adapter attached to the main pulley. Hoses are connected to the pump and go through the tin to the cylinder heads. The system is an emission control setup for taking fresh air and injecting it into the exhaust stream to help burn the unburned fuel.
If the PO has removed the pump, you need to block up the holes on each cylinder head. I don't know what the thread size is but you have to use a shallow bolt that's the right size or have the holes tapped to a known thread size. Some folks just block the hoses off if thet are still attached to the head. Quite often new bus owners notice soot coming out of them or simply that they smell exhaust all the time but can't locate it.
This is caused by unburned fuel igniting after it's been expelled into the hot exhaust pipe. When it happens during deceleration it's because too little fuel is getting into the combustion chamber while a normal amount of air is still getting in. This is an overly lean condition and the mixture is so upset that partially burned gasses/fuel are expelled into the exhaust pipe where they ignites later. A carb tune-up will probably correct the problem.
With fuel injection it's a slightly different cause. The fuel is injected based on the RPM. Since the engine is still going when you let off the pedal there is too much fuel and again the partially burned portion of the mixture ignites in the exhaust piping. The decel value detects this temporary condition of high vacuum and lets some more air in to burn off the excess fuel.
Changing the fuel filter is a task nobody wants to do. They are either afraid of gasoline or don't understand how to keep the fuel from spilling all over unless the tank is empty. The solution to the problem is an easy one: use a fuel line clamp intended for this job.
Folks that shove items up the fuel line like golf tees, pencils and bolts aren't getting the full benefit. The purpose of the fuel line clamp is to cut off the supply of fuel BEFORE you open the lines. A vice grip accomplishes the same result but the jaws are damaging to the fuel lines. You may not see the damage but the fuel line under the bus age the quickest so why help cracks form?
After you clamp the line with the proper tool only a few drops will come out. Wear rubber gloves and when you're done I bet there will be no lingering gasoline smell and no mess.
For my 78 bus, the sales literature says fuel economy should be 17 MPG city and 25 MPG hwy. I've never seen it higher than 21 MPG hwy and that's even after I swapped out the points for a Pertronix electronic ignition. If a new Porsche 914 gets 25 MPG I don't know how a bus is supposed to do it with the same engine.
If you mileage is 12 MPG you are in bad need of a tune-up but don't feel too bad because a 2003 Eurovan MV only gets 17 city, 20 hwy.
72-74 buses came with 34-PDSIT-2/3 Dual Solex carburetors. The gasket sets from Royze (Bus Depot and Bus Boys) and Tompsec (CIP1) are no good. I'm still trying to locate the source of the good kit (possibly NAPA).
With the pump running unrestricted (no pressure regulator), 1.5-2L/min is the minimum output. When I tested my pump, it did 2-2.25L/min.
With the pressure regulator attached, there should be at least 1L/min coming out of the PR when the injectors are not firing. This is naturally hard to test when the fuel tank is not empty but it's easy to do on the bench.
3 Exhaust, Heating and Cooling: |
Air conditioning was an optional accessory for baywindows. Two systems were produced in the US: one by Volkswagen Products Corp (VPC) of Ft. Worth, TX which was a VWoA subsidiary and Donald P Dixon (DPD) of San Antonio, TX. Obviously Texans are experts on a/c. The bus has a large cabin and folks say the a/c system was average at best but it was better than nothing I suppose.
Three styles of evaporators were available: two overhead models, one under dash and one behind the driver's seat. The overhead unit cooled everyone; the underdash unit only cooled the driver and passenger and the jump seat unit tried to cool everyone. All systems were built from off the shelf parts. The underdash unit was DPD only as far as I know who also made an overhead version which was t-shaped. I have photos of the jumpseat unit from a 72 bus but don't known much about the make.
Both VPC and DPD units were fitted with York piston compressors from York of PA (Borg-Warner Corp) and powered by special engine fan pulley arrangement. The Type I engines had the compressor mounted above the case but the Type IV engines had the compressor mounted to the left of the fan shroud in front of the oil cooler which necessitated cutting away some of the engine tin because of the height of the York compressor. Two holes were also drilled through the wheel well for the hoses. Here are some part numbers to help with identification:
The York compressor uses up about 10HP (precious HP) so it's not popular. It's also not made very well and has a poorly constructed case and horrible fittings. Folks who are serious about resurrecting their a/c systems invest in a modern Sanden rotary compressor. See Bus Depot for more info. Keep in mind you that will have to perform some fabrication yourself as indicated by Ron Salmon (see this archived msg).
According to Dave Bolen who used to work at VPC, most of the installations were performed "at the port" instead of at the dealer. The installers at the port got paid by the vehicle and were often under pressure to get it done so that it could get on a truck and get to the dealer to be delivered.
It's unlikely *any* installer ever did it according to the specs in the installation sheet. Most installations left about 3/4" of opening around the compressor leaving a gaping hole for hot air heated by the exhaust to rise into the engine compartment and get ingested by the engine.
Ask Dave sometime how his modified installation managed to retain all of the engine tin on the Type 4 a/c install and read his history of the project.
One of the options offered in some countries were fresh air fans (often called Ambulance Fans but not to be confused with the real roof mounted fans). They were installed to help defrost the windshield and improve fresh air circulation and are great to have if you live in a hot climate and don't like waiting at stoplights because you lost your cooling. They don't seem to have been offered as a dealer option in the US.
Photos:
74 and later Canadian busses were often equipped with the BA6 gas heater under the belly. It outputs 24,000 BTU and gets plenty warm. This is about 40% more capacity than the BA4 heater used in the 411. That heater and it's puny heater boxes aren't big enough to heat the large cabin of the bus if you are considering a transplant.
It's a lot of work to find all the parts and get it working. Much better to find a bus that already has one. You need to completely seal up the heater system in order to get the most heat out of the engine so you're not losing it to the outside:
There are 3 basic styles of exhaust for bay windows:
The 79 exhaust is similar to the 72-74 exhaust except the heads have Vanagon style square exhaust ports. CA models have catalytic converters (CAT) and the 79 CA models had a special heaterbox on the left to incorporate a CAT closer to the exhaust ports to make it more effective. That system is the rarest of the rare and a PITA to own because of poor parts availability.
If you look at the Vanagon head you'll see that the mating surface is flat where the opening and the studs are located. The earlier oval heads are stepped: this is the basis of the heater box incompatibility even though the flanges are the same style as the 72-74 models.
If you have a 75-78 muffler setup your choices are the most limited because the triangle flanges were not used in Europe where all the exhaust system parts come from these days. Because this was a US only design the parts went obsolete over there years ago with just the odd NOS item coming over now and again. The few that are left are simply too expensive. However, if you swap the heat exchangers to 72-74 versions you can use the more common 72-74, 79-83 exhausts with the trapezoidal flanges. This is possible because the heat exchangers have oval exhaust ports.
If your exhaust is in such bad shape is needs complete replacement then for 75-78 models I recommend converting to the 72-74 setup. After you buy a new muffler and heat exchangers you will need these parts from a donor bus to complete the conversion:
This diagram shows the parts you will need to swap over when you back date your exhaust system to use 72-74 heat exchangers:
The most cost effective choice if your 75-78 heat exchangers are still in good shape is to use a 1-piece "eliminator" style muffler that eliminates the cross-over pipe and all its pieces. You can buy them from several sources and the quality varies quite a bit even from the same source. Often the mounting holes are offset making bolt-up difficult (the rest of your old rusty exhaust does help matters):
If you live in CA and have a CA model that originally came with a CAT then you won't be able to use this muffler and still pass your smog tests because you will fail the visual inspection portion of the test.
Other setups exist but they bolt a header onto the heat exchangers and make the muffler stick out. They also make it hard to put a hitch on.
Removing the original exhaust setup is one of the more challenging and frustrating tasks you can do yourself. Even if you live in a dry climate like California taking off the exhaust can be a chore and putting it back on more difficult.
Instead of messing around with penetrating oils or fancy bolt removal tools go straight to what works: heat and cold. Don't be afraid of using heat because it's the best way to remove 25 year old rusted steel exhaust hardware. The problem is that the parts are so welded together penetrating fluid can't get it. Further the head of the bolts and the nuts have been so softened by rust they just round off with your forged chrome/vanadium tools but because the core of the bolt is still as shiny and solid as the day it was cast the bolt won't budge.
Go to the local hardware store and get a propane bottle ($3-4) and nozzle (varies) from the welding/brazing/plumbing section. MAPP gas is hotter than propane but you've got to vent the CO it produces and it costs twice as much. I prefer MAPP.
Use the heat to attempt to remove the nuts only. Whatever you can't heat up and remove with wrenches (headless bolts etc) grind off with a Dremel cutting wheel. The u-bend flanges of the heater boxes are the worst because there is no room to remove the bolt ones the nuts has been removed.
You can also buy products in a can which supercool the hardware to break it's iron grip. A great brand is Wurth Rost Off Ice: it's a creeping penetrating fluid that cools the metal to -40F briefly. It does it just long enough to break the grip of the rust as it contracts. After I grind off the heat, I spray the shank of the bolt and then tap it through.
The snap of the wrist technique to break torque doesn't work on these fasteners because the head is simply too soft from rust you would have to file it down to a smaller size to even attempt that without the risk of rounding the head completely or jamming the head in the socket/wrench.
Replacement Heat exchangers come from one source: Dansk/JPGroup. If you try to get one from the dealer chances are high that it won't be NOS if they have anything at all.
The Dansk units don't fit as well as the originals. You may have to drill the holes to get a perfect it. They are also covered with less paint than the original HEs so I would recommend that you strip and repaint them. The heatsink inside the Dansk HE isn't as heavy duty either and generates less heat. One option is to pick up one of the few NOS 72-74 Genuine VW German units (LHS) from Bus Depot.
There are still a few NOS Type 4 heat exchangers around but they are only big enough to heat a sedan, not the bus so don't bother. Same goes for the BA4 gas heater compared to the BA6 (40% larger capacity).
If you are losing heat up front you may have lost the cover plates and gaskets that join the heat exchangers to the fan shroud. See the heating technical article for ideas and plans to make your own replacement gaskets.
See my Heating www.ratwell.com/technical/Heating.html article for measurements and photos.
The heater booster fan (or hot air fan or aux heater fan) eventually dies because the bearings seize from use and from particle contamination. You know when the fan is starting to die when it squeals and/or blows 16A fuses easily. DO NOT put in a 25A fuse to cure the problem!
I doubt you'll find a new one at the dealer and if you do the price will be $260. (411-903-007B for just the fan part). CIP1 used to sell the fans but not anymore so you'll have to get a working unit from the junkyard for $10-15.
At the junkyard, you are looking for unbroken fan blades, flaps at each end of the shroud and no binding on the shaft of the motor. If the fan rotates and you feel clicking but don't hear it the motor is in top shape. The "click" you feel is the magnet inside the motor resisting the rotation of the shaft.
There are some A/B versions of the fan and differences like the style of the wiring connector from the relay but that can be worked around. Pre-77 relays also depend on the alternator running to operate the fan. The shrouds swap so you can assemble a working unit from several cores and swap them before you get to the junkyard cashier. Be careful though because the fit is 99.9% perfect and the plastic will crack if forced.
For those with worn motors I looked into getting AEG/Laefert (the OEM) to repair these old fans at the local depot here in Petaluma, CA but the cost is not worth it compared to a junkyard spare. The fan simply wasn't designed to be taken apart.
DO NOT wrap your exhaust system with header wrap. It will raise the exhaust temps and destroy the metal. If you have a 75-78 system, the header and afterburners are made from stainless steel and the reproductions available are only plain steel so you will be ruining a valuable set of muffler components that would have normally lasted the life of your bus.
4 Transmission, Clutch and Starter: |
Transmissions swaps are probably the most asked question. VW engineered in a lot of compatibility but a few snags exist. First the facts:
Vanagons also used the 228mm clutch (NB: from January to March of 1983 Volkswagen put a 215mm clutch and PP in the Vanagon but decided they had to switch back).
Now you know what came from where, what can you swap around? In general if you have a 2.0L engine with a 228mm clutch and pressure plate it will only fit the 091 bell housing. This means to use an earlier transmission with the 228mm flywheel you'll need the later bell housing otherwise you'll need to use a smaller clutch and pressure plate. The 228mm flywheel only engages the SR87 starter which complicates swapping (the earlier starter won't reach the flywheel teeth because of the bell housing...)
The 091 input shaft is slightly longer than the shaft in the 002 transmission used in 72-75 buses but because the 091 bell housing is also longer, the same length of input shaft extends forward from the edge of the bell housing and is therefore compatible with earlier models. The yellow workshop manual says that the distance is 27mm for 74-79 models (no 72-73 data in the book unfortunately). In other words a Type 4 engine will bolt to any 72-79 transmission but you have have to swap flywheels components and the starter.
If you swap an older bell housing onto the 091 in order to use a smaller clutch disc, you will have to swap the 002 input shaft onto the 091. To do this, remove the bell housing, take the circlip out of the groove and slide the gear and the circlip up the shaft so you can turn the shaft to undo the stud holding it on.
Because the 091 bell housing is longer the 76-79 cases have longer studs on the bottom. To use the 091 on a 72-75 case, you must install the longer studs.
However, the 091 transmission as a whole is about an inch longer than the 002. This means that the transmission sits further forward in the bus. If you use the 091 transmission in an earlier bus then the shift-rod will be angled backwards slightly. If you use the earlier transmission on a later bus then the shift-rod will hit the parking brake.
You may have to swap shift rod parts in order to get the shifter into the correct position. The shift rod changed in 74 so you can borrow parts from 74-75 and 76-79 setups to help accomodate the change of length of the transmission as well as make your own mods.
The input shaft of the 68-71 transmission is shorter than the later models by 11mm because it needs to engage the pilot bearing sitting in the gland nut of the Type I engine. If you use this transmission with a Type IV engine the input shaft will not engage the pilot bearing properly and will chew up the needles. The workaround for this is to machine the flywheel opening in order to press the pilot bearing into the flywheel instead of the crankshaft.
On page 435 of the latest edition of Muir, John Hilgerdt recounts the story of a 75 transmission that chewed up the pilot bearing of a 78 bus. There is no good reason for this because the 228mm flywheel won't fit a 002 bell housing so a compatible flywheel must have been used.
I can only speculate as to what parts they actually used because the input shaft is the same length and the pilot bearing is the same distance from tip of the input shaft among Type 4 flywheels. What seems more probable is that they used a 68-71 transmission but since the 68-71 flywheel won't bolt onto any Type 4 engine, they used an incompatible flywheel so the parts mismatch to make it "work" was horrendous!
Using the 72-79 transmission with a Type I engine necessitates swapping the input shaft (and bell housing in the case of the 091) because it's too long and the shaft will bottom out in the gland nut.
To remove the transmission undo the following:
To compute your speed based on the gear and engine speed use this simplified formula:
MPH = RPM * TIRE HEIGHT / GEAR RATIO / R&P / 336
For example: 3400 RPM * 26 / 0.89 (4th) / 4.571 / 336 = 65 MPH
Download this spreadsheet. It shows all of the gears that VW transmissions can be built from and the road speeds they produce at various RPMs. The stock 091 gearing is highlighted.
These are the stock gear ratios for US models:
| Code | Ribs | VIN | 4th gear ratio | R&P ratio | Final |
|---|---|---|---|---|---|
| CA-CD | 3 | 218 000000 - 213 2 068547 | 0.821 | 5.375 | 4.413 |
| CE-CL | 3 | 213 2 068548 - 213 2 300001 | 0.889 | 5.375 | 4.778 |
| CM-CN | 5 | 214 2 000001 - 215 2 300001 | 0.889 | 4.857 | 4.318 |
| CP-CX | 6 | 216 2 000001 - 219 2 300001 | 0.889 | 4.571 | 4.064 |
There is some debate whether or not all 73 models had the 0.821 4th gear or whether the cutoff VIN is higher. The table above is what the factory published in the US.
See www.type2.com/library/drivetra/091data.htm for more info.
The starter bushing is pressed into the bell housing and keeps the starter pinion drive from moving side to side. When you replace the starter you should replace the bushing at the same time (most starters will come with the bushing).
Replacing the bushing with the engine out is very easy to do. If you are going to attempt the replacement with the engine in you will need special tools. The first is a starter bushing puller. Sir Tools makes one under part# P239. The second is a drift. Any drift will do but the specialty tool is designed to keep the bushing aligned while you are blindly driving it in.
I've been told that German markings aren't the be all end all of identification, especially wrt clutches. I recently saw verification of this looking at a clutch kit that was stamped Germany but Made in Mexico stickers were attached on top. I would have to assume that there is an original German press used to stamp out the parts in Mexico.
Of the two OEMS, Sachs and LUK, the Sachs ones are rarely made in Germany anymore but the LUK ones are still German. According to the fiche 210mm and 215mm versions were originally LUK and the 228mm clutch was from F&S (Sachs).
Apparently you can judge the quality of the clutch disc by the rivets. If they are nice looking, perfect to the eye, flawless, dead center round, perfectly crimps etc it's probably really German. If it's this way and Made in Mexico then everyone's a winner!
Unfortunately, the most German looking release bearing probably isn't. If you hear it start to whine after 2-3,000 miles when you depress the clutch pedal you'll just have to endure it until you hear grinding noise that will force replacement.
Get a German pilot bearing. The Brazilian ones have a plastic cage compared to the German ones (at least comparing bearings within the INA brand). The thought of it failing and those rollers coming out and jamming the input shaft freaks me out.
Replacing the clutch is a daunting task for the novice but there really isn't much to it. The hardest part is removing the engine so you can access the bell housing. Here's what to replace:
I was driving to work one time and the pedal hit the floor and there was a big bang. I was barely able to change gears and make it the rest of the way to work. I tried adjusting the cable after work to see if I could limp home but it didn't last one pedal push and I was forced to replace it when it broke.
Luckily I had a spare cable and clevis pin on board from my last road trip. The cable is so inexpensive: always carry a spare so if you need one now, buy two. Here's a favorite failure point.
Some kits do not come with a pilot bearing or packet of spline lubricant or even a clutch alignment tool. You will need those to do the job properly.
At this point you are done but once the engine has been removed it's a good idea to replace all of the parts that are impossible to reach with the engine mounted.
It's rare but the oil seal at the transmission input shaft can leak but inspect it at least.
Flywheel seal. Oh boy is this a nasty culprit. These fail all the time and even new seals don't last long unless conditions are just right. If you decided to replace it or are required to by the nature of a big leak you are going to need more parts and tools.
If you've had an oil leak in bell housing you should clean it thoroughly and I would also disassemble the shift fork to clean it and regrease the plastic bushings. The throwout bearing cannot withstand any contamination and it cannot be cleaned with solvent. Fortunately they are inexpensive.
Some folks think it's a good idea to JB Weld over the oil gallery plugs behind the flywheel just in case they give down the road. Here's what it looks like: Before and After
You can't use JB Weld to fix a leak but it works great at helping to prevent one and a lot easier than splitting the case in order to tab and plug the oil galleries.
VW says the transaxle is factory filled for life. This was always the case but after a certain model year they decided to state as such. Based on the price of GL-4 and the service life of the transmission (200k miles) changing it every 50k miles still seems like a good idea to me.
The transmission builders I've talked to say that factory filled for life is a load of hooey. Interpret life to mean 100k miles as hoped for by the VW marketing department of the 70s.
See my Gear Oil article.
Contrary to popular belief there is no magic rpm that the cooling fan has to turn at that prevents you from using a transmission with lower overall 4th gearing.
While driving a bus, the faster you try to go in 4th, the faster the engine has to turn and the more heat is therefore generated. The optimum cooling speed of the fan has no relevance in 4th gear and is overtaken by other variables. These are some head temps I recorded when the outside temperature was 55F:
MPH RPM CHT 50 2620 340F 55 2860 360F 60 3150 380F 65 3440 380F 70 3720 400F 75 4010 420F
It's plain to see that the slower you go the better your head temperatures will be. If you are concerned about oil temperature, those goes down as well. Of course, if you lug the engine it will get hot and the temps will increase as they do on hills (you have to pick an appropriate gear obviously).
The usual goal of lowering the gearing is to lower the engine noise on the highway in 4th gear. Subtle changes such as switching from an 091 transmission (4.57 R&P * 0.89 4th = 4.06) to a late 002 (4.86 R&P * 0.82 4th = 3.98) will slow the engine down a little but any transmission modification in excess of that change will require a larger engine with more torque.
Otherwise, by modifying the transmission ratios you may find yourself with new gearing that forces you to downshift a stock engine whereas you wouldn't have to before with the stock gearing. You will lug the engine, increase the temps more than they should increase and lessen the driving experience.
The other problem one of wind resistance. Ever push your bus to 80mph and let off the gas? You'll notice that you will slow down very quickly. At higher speeds, the power to overcome wind resistance increases as the square of the airspeed. Handicap your engine with gearing that is too low and you will have taken a step backwards.
5 Front and Rear Axle: |
The 68-69 front beams will not a fit 70-79 bus. Of the holes that bolt the beam to the frame the closest ones are 9cm apart on the the early beam and 12cm apart on the late beam.
Photo essay by Steve Dolan and his beam replacement instructions. Some more photo from another gallery.
What is the right way to install the CV joints? Do not look at the bands on the edges of the CV joints as a guide because the style has changed. Do not follow Muir.
There are 3 styles of cv joints that complicate identification. I believe there is photo on my website showing them initially on the wrong way on my bus so ignore it.
The old style joints had a simple rule of thumb: each joint had a 1 ring groove machined around the perimeter. That edge closest to the ring faced the flange side (outside). Install and be happy right?
Then the style changed. First, the hub changed (beveled on one side vs. no bevel). There is a misconception that the hub with the bevel should face the outside. This comes from the thinking that the flat side should face inwards for the dished washer. What's not being mentioned is that that style of the inner hub changed (both sides used to be flat) and the grooved washer was eliminated by VW.
Then the identifying rings changed (3 rings one side, 1 ring the other side) and confused everyone.

This is a photo of the two faces of the latest GKN/Lobro CV joint you can (and should) buy.
The rule of thumb? The 3 ring grooves go towards the outside because:
However, some joints seem to come assembled with the cage backwards. It's not clear to me yet whether or not this is the deciding factor. Everyone has a formula based on the look but I think it's the feel that ultimately proves it:
Should you put on the concave washer even though Bentley says not to? No one seems to know much about this issue. It's quite possible that VW discovered that the pressure was causing the lock ring to pop off. If you've ever struggled to install the lock ring with the concave washer you'll see that the CV joint will barely fit now. In extreme cases the lock ring has popped off and the axle slipped out of the joint and twisted the boot up.
My advice is to leave it off but if there is sufficient slop that the washer would prevent, you could install it.
Van Cafe has a CV joint article that is very detailed but it has too many steps. The bartnik article contains the technique I first followed for installation but there are a few changes I made that I should point out before you follow it:
He's not kidding about burning your clothes. Wear clothes you are willing to throw away and use powder free latex or nitrile gloves.
You should change the grease if you have to change the boots. My own technique for getting the grease inside the joint is the pastry method. Cut off a smaller corner than indicated on the packet so the grease comes out under higher pressure to "invade" the joint.
Here is the pastry chef tecnique for applying the CV joint grease.
Few brands of shocks exist for aircooled VWs. There are Boges, Cofap and KYB. The first two are oil filled like the originals from F&S. Boges and F&S were originally separate companies when the bus was in production but Boge is now part of Sachs (Fitchel & Sachs). There are few German made Boges left so if you find those you lucked out as most are being produced in Mexico now. Cofaps are from Brazil/Mexico. Recently Bus Depot started to sell a popular UK shock made by Alko Suspension.
There are also Bilstein, Koni performance shocks but they are impossible to find because they haven't made them for 68-79 Type IIs for several years.
KYBs are gas filled and provide a firmer ride with better handling. All shocks are oil filled. Gas filled simply means there is also gas inside pushing down on the oil. If you can't tell what kind you have just try to compress them: gas filled shocks will want to expand until maximum extension is reached and oil filled shocks hold their position wherever you let go.
The best KYB combination is GR-2 up front and Gas-A-Just in the rear. If you put the Gas-A-Just shocks on all four wheels the handling will improve but the ride will be bone jarring: too harsh for the driver and passenger. All KYB gas shocks are hard compared to oil shocks. They are popular because they are inexpensive.
New shocks will not properly cure a sagging rear end. Gas shocks will raise the rear slightly but cure the symptom not the problem. The sag is due to the torsion bars. Shocks damp the suspension but do not support it so you need to adjust the torsion bars according to the Bentley manual to properly correct the sag (See 5.4 below). Any evidence of the rear end raising is due to the nature of gas shocks or the low skirted wheel wells playing tricks on your eyes.
Obviously if you've ever compressed a gas shock there is some force exerted on your hands (if not then you need new shocks). The torsion bar is supposed to be adjusted so when at rest, the rear end of the bus is sprung to a predefined height by the bar. If the bar is not in the correct position and the end has too much sag and a new shock somewhat corrects for this, think of what's going on: the shock is further untwisting the bar to a position where the shock will be bearing undo force because the suspension will have to travel upward further before the tension in the bar will force the body back down. You've just turned the damper into a spring, a task for which it's not designed for. It also upsets the ride because the torsion bar isn't moving about it's center.
You may have heard that coil over shocks work. There is a substantial risk to the shock mounts when they get rusty: they can break off because of the tension from the spring. The shock mounts were never intended to support the rear end! Many folks have found this out the hard way and regretted it.
If you're going to buy some cheap coil overs to attempt to raise the rear about 1/2" and take the risks here's some info but I want to stress that it's not that hard to reset the torsion bars. See the next topic for more info.
Coil-over shock installation photos.
Jamie has been through 3 sets of shocks. The lack of quality shocks available that fit and possible fitment issues meant that the chrome kept flaking off the rod and tearing the seals which caused the shocks to leak.
Another culprit are worn out torsion bar bushings. The go eccentric over time and can cause a camber issue with the rear wheels.
Have you posted a photo of your bus and been told it's got a case of saggy butt? Before taking on the task of an adjustment consider other influences:
Can you adjust the torsion bars in the rear to eliminate the sag you have in the suspension by turning the bar one notch? Yes. Should you? No.
The rear torsion bars have a vernier adjustment. Moving both splines in the same direction by one notch will result in too much adjustment. The vernier adjustment allow for less than 1 degree of adjustment so you have to follow the instructions in the Bentley.
Bus CV joint are quite sensitive. If you adjust the rear suspension incorrectly you may wear them out very quickly. Here is a list of maximum angles that the hub of the joint is allowed to move compared to other models:
Vernier adjustment works this way: there are 44 splines on the inside and 48 on the outside (8 deg 10 min. on the inside splines and 7 deg. 30 min on the outside splines). If you want total accuracy this means having a tool to accurately measure the angle of the spring plate vs. the angle of the body that is better than a protractor. Then you can figure out exactly how many notches to turn on the first try. Turn the bar one notch clockwise and insert, then mount the spring plate a notch counter clockwise and you get 40 min of clockwise rotation so 3 turns of each in opposite directions gives you 2 degree of correction. It's that simple.
Use a grease pencil to mark the location of the torsion bar before you remove it so you don't loose your starting position. If you are unsure about what the angle spec for the spring plates is measure the diameter of the torsion bar with a dial caliper and it will tell you the spring plate settings (look up in Bentley).
For installation, use talcum power on the spring plate bushings. A lot of talcum powder you'll find at the drugstore isn't made from talc anymore. Make sure you locate proper talc. You can get new bushings from Bus Boys and I recommend you replace them while you are doing this adjustment. In the worst case, the bushing "flows":
BlueBird in the UK sells urethane grommets for Type 2's. I'm not sure who resells them here. If you install them, use the teflon/vaseline grease that Prothane/Bugpack sells so they don't squeak. All urethan bushings increase the harshness of the ride so keep that in mind.
Finally, getting the spring plate cover can be tricky and the technique is the use longer bolts to get the cover on then switch to the stock bolts to secure it.
Some of those suspension bolts can be in really ratty shape (worn threads, rusted threads, no threads) so have a supplier of 10.9 grade metric M12 and M14 bolts lined up if you need to get replacements. I would recommend replacing them anyway because they will be in worse shape 10 years from now. These are the M14 bolts you'll need for installation:
The inner one is the same from 68-79. The outer one was beefier from 68-70 (211 501 283) because VW slimed down the bearing with the introduction of disc brakes in 71.
Model year (VW part number, industry number):
68-79 inner rear bearing (211 501 287, 6207-J or 207) ID 35mm (1.3780) OD 72mm (2.8346) WIDTH 17mm (0.6693) 71-79 outer rear bearing (211 501 283D, GRW111) ID 35mm (1.3780) OD 57mm (2.4409) WIDTH 19mm (0.7480)
68-70 outer rear bearing (211 501 283, 1208S) ID 40mm (1.5748) OD 80mm (3.1496) WIDTH 18mm (0.7087)
The front axle should be greased every 7,500 miles or once a year whichever comes first. You need to jack up the bus in order to properly grease it. One reason is that the front sway bar is in the way of the zerk that greases the relay lever shaft. Put the jack under one of the cross members behind the jacking point, not under it.
Pump in grease until you start to see it come out of the torsion arms. Make sure the zerks are tight (the front one likes to come loose and fall off). I believe they take a 7mm wrench.
Bearing life depends on the endplay set at the time of installation. Too tight or too loose and the wheel bearing will have a shortened lifespan.
Using a bearing driver is the easiest way to install new races. You can use a brass drift but it takes a lot longer and you have to be very carful not to install the race cocked.
After I install them in the hub, first I clean off the spindle very carefully. Then I lube the spindle thoroughly, put on the rotor and screw on the locknut and thrust washer just enough so there's no axial play in hub/rotor. A little grease should come out and you can clean that up obviously. What a nice sound it makes when you rotate it. It's full of grease so it's not going to keep spinning forever.
VW has provided instructions for adjustment that don't require the specialty tools shown in Bentley.
I checked with a couple of the OEM bearing manufacturers and the numbers were slightly different but all were 0.001" of endplay at least. That's picky!
Before I found the instructions, I think I used a rule of thumb instead that says turn the locknut 1/8 turn. The threads are pretty fine...1mm thread means one turn is 0.04". Divide by 8 and you get 0.005" which is the ideal endplay. So if you don't have a dial gauge adapter for checking that, then tighten it up and undo the locknut (clamp screw whatever it's called) up to 1/8 turn.
See Bus Boys for the lowering kits and shorter shocks:
Sometimes suppliers ship the wrong length axles when they sell them complete with CV joints. You need to check their lengths before installing them. Left and right are always seen when looking from the rear of the bus towards the front. The front is the engine is where the firewall is located.
| Model | Trans | Side | Length (mm) | (inches) |
|---|---|---|---|---|
| Bus | M/T | Both | 476 | 18 3/4 |
| Bus | A/T | Left | 457 | 18 |
| Bus | A/T | Right | 505 | 19 7/8 |
| Vanagon | M/T | Both | 547.8 | 21.57 |
| Vanagon | A/T | Left | 531 | 20.9 |
| Vanagon | A/T | Right | 579.3 | 22.81 |
6 Brakes and Wheels: |
See my Brake job article for more detail on this subject.
The number one reason that brakes squeal after pads are changed is because the brake hoses are too old. Over time the rubber hoses collapse on the inside and prevent the brake fluid from returning to the master cylinder. This causes the pistons in the calipers to remain engaged and the result is an irritating squealing sound while you are driving.
The number two reason is due to the pads themselves either because the edges weren't chamfered or because the pads weren't bed in properly or at all. See the instructions for bed in above in the adjusting section above.
Another possible cause although less likely is a worn out spreader spring. The spring and the pins that holds it in place should not be rusted so the spring can move correctly.
The ATE made caliper has a spreader spring that looks like a cross ( 4-tabs). The Girling caliper has 6 tabs. You might also look for the letters ATE printed on the rubber cap that covers the bleeding screw although this isn't a definitive test (the bleeder screws are different between ATE and Girling calipers).
Calipers suffer from a couple of problems:
The front brakes are self adjusting. This means the pads are in bare/brush contact with the disc at all times. The piston is retracted by the brake fluid suction and the tension of the inner seal. When brake dust and crap contaminate the area the brakes can squeal and pulse. It's easy to picture a piston that isn't aligned to the rotor causing problems.
Baywindow busses used two rim sizes. 68-70 are 5-bolt with a 205mm distance between adjacent holes (5x205) and are called wide-5s (obvious if you've ever seen them). If you go to a tire shop ask them if they have the adapter for the wide-5s.
71-79 buses (with disc brakes) have normal looking wheels with a 5x112 bolt pattern. The rims are 5 1/2" wide (14 x 5.5J is stamped in very tiny letters on the face under the hubcap) and the offset is ET39. ET is German and stands for Einpress Tiefe, a measurement in millimeters of the distance from the centerline of the rim to the back of the bolt face. A negative number would indicate that the bulk of the wheel is inward towards the body.
Some wheels that fit include some Audi, most Mercedes, VW Passat and of course various generations of Transporters. Most of these wheels are not 14" tall or 5 1/2" wide so the tire you choose must be test fit to the wheel well.
In addition to tire size there are other considerations:
In other words each wheel will present one of many of those problems you'll have to overcome. Plus, whatever you have done to the front two rims will need to be done to the rear wheels otherwise you won't be able to rotate tires.
Although the selection may not be to your liking, Ronal is a German supplier of Baywindow alloys that fit correctly and eliminate all of the guesswork of you adapting a set of rims to your bus. Ronal USA was the local distributor and decided to shut down in 2008.
72-79 baywindow were originally equipped with 185R14C or 185SR14 tires. The aspect ratio of the tire, 82 is implied and never written as 185/82R14.
68-70 baywindow tires were not radials there is no one size deemed best or second best that applies to all models that's often repeated. They were bias ply tires on 5 x 14 and 5 1/2 x 14 rims and the 195R75/14 is a closer fit to the original tires. You can use a 185R14 tire on these earlier buses without problem.
Tires don't last forever on the shelf. If you think you've found a great deal be sure to check the mfgr date on the sidewall. Government legislation is forthcoming that will force vendors to throw away tires that has passed a soon to be stamped expiry date.
If you've inherited the bus from a DPO, chances are high that the bus has passenger tires. These are cars tires that lack the sidewall strength and the load capacity for a loaded down bus. Very few 14" tires have the load rating for a bus. 1540 lbs. is the magic minimum number and most passenger car tires that fit a 14" rim fail this test and are dangerous to fit. They also have a lower maximum tire pressure which means they are often driven around under-inflated.
A bus tire must be rated C for commercial or reinforced. It must also have a load range of C or D (D is higher than C). Do not let a sneaky tire salesman confuse you about the two C's. There are only a few tires made that fit these requirements and fit a 14" rim so be sure you get the correct tire.
Whether you get size 185R14 or 195/75R14 (very close in size) be sure the sidewall it meets the spec. Many people cheat a little and get a slightly underspec tire. If the bus tire can safely support a Vanagon that's 800 lbs. heavier there is probably enough safety margin for a bus if for example you found a 1433 lbs. tire. If you load down both vehicles to the max the margin decreases. Certainly a car tire with a 1100 lbs. load rating would be foolish to install and no passenger tire will result in good handling characteristics.
I've been seriously debating whether or not to upgrade to larger rims in future to improve the tire selection. If you have to buy 4 new tires and a spare you might want to consider this option right now. It still means that you have to obey the load rating requirements!
GoWesty! sells a 15" 5x112 bus wheel that aids the tire selection problem. They've constructed this steel wheel using the wheel center from a 14" wheel and a 15" rim from another vehicle. It's very strong and safe to use
Be warned that many 15" tires have a short sidewall. It is the flex of the sidewall that helps to make the ride feel soft. 185R14C tires always have a tall sidewall based on their specification.
The tire they recommend is a Michelin HydroEdge 215/65-R15 with a 1510 lbs. load rating. This tire meets the VW commercial bus tire inflation specifications and almost meets the load rating specs (which is not actually written anywhere but happens to be the load rating on the reinforced tires the factory supplied). Because the sidewall is shorter there is potential to flex less and the handling will improve which is something you'll never achieve with the selection of a 14" tire with an unreinforced sidewall. That's their sales pitch anyway.
However, keep in mind that those Michelin tires are only 4-ply (2 steel + 1 polyester + 1 nylon) . Load Range C implies 6 plies and D implies 8 and the extra plies are usually added to the sidewall for strength. This means the tire may be flex more than you'd expect it to when supporting the bus (it's tall and narrow after all). The number of plies on this tire doesn't meet spec so overall you have to either pass on them or trust Lucas at GoWesty. He primarily outfits this wheel/tire combo to heavy Vanagons although I haven't tried them myself he'd be out of business if the tires on his customer's vehicles were failing. Read this wheel debate article for more of his opinions.
See my Baywindow Bus Tires article for more detail on this subject.
Good luck in your tire hunt.
Before beginning, undo both parking cables at the equalization bar under the cab and back off the shoes using the star adjusters. If the adjusters are frozen, try penetrating oil then try using a brass drift.
Remove the two small bolts in the face of the drum (you do not need to remove the 46mm axle nut nor do you need a puller as is depicted in Bentley: that's for removing the hub). The drum will either come free or it will be rusted onto the hub. Loosen it's grip with a rust penetrator and dead blow hammer and it should come off. Sometimes the shoes are stuck which can make removal difficult.
DOT 3 or DOT 4. The latter has a higher boiling point which is recommended since the bus is heavy vehicle. Change your fluid every two years (brake fluid is hygroscopic and absorbs water). Bleed and adjust your brakes every 6 months.
Do not use DOT 5. It is not compatible with the VW brake system and will react with the brake hoses and also leak out of the brake switches.
Use Castrol LMA or use ATE Super Blue if you want to see the color change from yellow to green to blue as you bleed so you know you've truly flushed the system. Use ATE Gold next time to flush out the blue.
The brake warning light has only the letter B written on it and lies between the speedometer and clock on the lower part of the instrument cluster. The light comes on when the parking brake is activated and also comes on when the brake pressure switches on the master cylinder activate (brake failure or switch failure). Older models used to let you press the button to test the circuit but this feature was done away with the later models.
The brake booster sits between the pedal and the master cylinder. It was installed in 1971 with disc brake models to assist the driver by reducing pedal effort. The servo was enlarged mid year 1974 (12/73) starting with VIN 214 2110 466.
The servo is vacuum powered off the engine and usually fails when the seal at the master cylinder allows fluid into the booster and ruins the diaphragm inside.
A new brake servo costs $350 but it's much cheaper to have yours rebuilt. H&R will fix it, remove the rust and repaint it so it looks and operates like new.
H & R Auto Parts Rebuilders 10328 Oakwood Dr, Dallas, TX 75217 Phone: (972) 286-5516
Approx. $100 + ship
The axle nut is 46mm and requires serious tools to remove. First, remember that you only have to remove the axle nut on 71-79 buses to remove the hub to R&R the wheel bearing. You do not have to remove the nut to remove the brake drum for servicing like you have to on earlier models.
Like the gland nut (see that section above) there is basically only one suitable set of tools:
The axle nut is torqued up to 253 ft. lbs and any 1/2" drive tools such as breaker bars will, er, break. The vw part vendors also sell a heavy slogging tool that fits over the axle nut. It's only good for hitting with a small sledge hammer. The opening for the 1/2" drive breaker bar will simply break your tool.
SK also sells a 46mm socket but I'd go with the $10 EMPI version. They also make a nice sliding t-handle but it's $5-$20 more than the price of the Craftsman version (Never buy anything directly from SK's website because the prices are listed and very high compared to any other online SK vendor).
To torque up the axle nut, you can either spend a huge amount of money on a large enough torque wrench and struggle with it or use your head (and the rest of your body). Keep in mind you cannot use a cheater on a torque wrench unless you calculate a lower setting based on the leverage you added:
Torque is simply force rotated at a distance (T = r x F). For example, 253 ft. lbs is 253 lbs. of force 1 ft. from the center of rotating or half that amount, 127 lbs of force applied 2 ft. from the center and many other values in between.
If you weigh 200 lbs and stood on the cheater bar one foot from the socket you'd be applying 200 ft. lbs to the axle nut. All you have to do to apply 253 ft lbs. to the axle nut is to figure out where to stand. Here's the forumla:
distance in feet = (253 / your weight in lbs.)
Weight 200 lbs? Put all of your weight at 1' 3" by standing on one foot.
| Location | Part # | Length | Comment |
|---|---|---|---|
| Front | 211-611-703 | 452mm | 68-70 |
| Front | 211-611-775A | 330mm | 71-79 -> superseded 281-611-775B |
| Rear | 211-611-775B | 270mm | passenger side (female-female) |
| Rear | 211-611-775C | 280mm | driver side (male-female) |
7 Controls: |
M12x1.5mm. Splitwindows were M10x1 so the kewl skull shift knobs won't fit, sorry.
To remove the steering wheel on a 74-79 bus, prise off the horn button using your fingernail and use a 24mm socket to undo the big nut. If you have an earlier style steering wheel, you'll need a puller to get it off.
The steps are like so:
If the steering wheel still isn't centered then it need to come off and be rotated a notch or two. You should see marks stamped that showing the original alignment done at the factory. At least my bus has then.
The original wipers were 400mm in length (everything is metric on a VW right?) and the replacements available are 16". You'll notice that the passenger side wiper doesn't lay completely flat on the windshield. This is normal: the original metric size isn't enough of a difference to eliminate the slight overhang.
You replace the switch by dropping it through the top. Remove the steering wheel nut under the horn button and undo the 4 small head bolts that are at the edges, pull the 2 connectors from the wiring harness out from the bottom and it lifts right out. You have to disconnect the windshield washer valve on the later models before it will come out all the way.
Aside from adjusting the stop plate below the shifter, shifting problems are usually due to worn out components in the shift mechanism. I've documented all of the parts in a separate tech article:
See my 091 Transmission Refresh article.
Visit the Autocolor Library for swatches after you decode your m-plate.
1968 - 1970 (wheels) L581 cloud white (hubcap) L70 grey silver (hubcap) Models 241-244 L41 black (bumpers) L581 cloud white (bumpers) Models 271, 274 L567 ivory 1971 - 1972 (wheels) L91 chrome (hubcap) L91 chrome (bumpers) L90D pastel white 1973 - 1975 (wheels & hubcap) L97U grey aluminum (wheels) Models 221-228, 241, 244 L91 chrome (bumpers) L90D pastel white 1976-1979 (wheels) L95X silver (hubcap) L91 chrome (bumpers) L90D pastel white 1977/1978 "Silverfish" (S723/S766) (wheels) L95X silver (hubcap) L91 chrome (bumpers) L91 chrome 1978 Champagne Edition II (wheels) LH3A fox red (hubcap) L91 chrome (bumpers) L91 chrome 1978 Champagne Edition II Camper (wheels) L90D pastel white (hubcap) L91 chrome (bumpers) L91 chrome Models 241-244 is a 8/9 seat deluxe passenger bus Models 221-228 is a 7/8/9 seat passenger bus Models 271, 274 is an ambulance
Notes:
Chrome hubcaps were for the deluxe models. Others including the commercials had wheel colored hubcaps.
L91 is the most commonly found paint formula for the wheels (appeared with the new style wheels for disc brakes). You can get a can of L91 from the dealer (ask for L 009 103) if you have nothing to match the color to and no formula to go by. The can is only 150mL (5oz) and I'm not sure how far it will go. The dealer charges about $7 and you should get two cans (1 base, 1 clear). If you only get one can (supplies swindling) you need to shoot clear on top of it to get the correct color and protection. I can't actually buy this can locally anymore because the county has banned sales of auto paint from dealerships to customers (I have to drive to the next one).
L90D was a popular color for the top of the buses that were painted two tone and it was the color of the poptop on the Westfalias.
The dashboard, pedals, shifter, seats frame and gravel guard are L43 Grey Black. All of the grey items in the engine compartment (firewall, intake manifolds, fuel filler pipe, engine access hatch) as well as the fresh air vents and the tops of the underbody pans are L249 Dove Grey. Engine tin and valve covers were painted L41 Black (often called VW Black). The black was a 60 degree gloss (your painter with know what that means).
To verify it, I weighed my bus on the scales at a metal scrapyard in 2002. The bus weighed in at 3500 lbs (w/two spare tires and me on board). Front axle was 1640 lbs and rear axle was 1860 lbs if you are thinking about a dolly.
If your front seats aren't comfortable you've got a few choices available to you:
1. Replace the stuffing. Most often you are sitting on springs whether or not the seat material is ripped. You've got two choices: foam stuffing or horse hair replacement pads:
See my Seat Repair photo album.
2. Swap in some other seats. I heard of using seats from a Fiero or other vehicle but most often people go with Bus or Vanagon seats. Be aware that many seats are taller. This means you maybe too tall for those seats when installed in the bus as your head hits the ceiling.
The 1977 model had seat rails in the front cab that were incompatible with earlier seats but this design continued through the end of production into the Vanagons up to about the 1985 model year (unconfirmed) or possibly until 1991 so you can swap seats with those. Keep in mind that the Vanagon floor was lower than the bus. This means that the seats are thicker and you will sit higher if you transplant them. Some shorter folks that find bus seats uncomfortable and need a step stool, will be further inconvenienced.
GoWesty sells new Vanagon seats for baywindows with new plaid upholstery. The stuffing is foam because that's the Vanagon stuffing. A pair of seats is $995.
If you have welding skills you can adapt the Vanagon seat rails to your early bus:
As for the seat styles themselves, the 68-74 seats were the same, 75-77 the same and 78-79 the same. Reclining fron seats appeared in 1977 and headrests were introduced with 73 models and were optional on some busses depending on options (e.g. Deluxe Westfalia or local laws).
GoWesty sells the rubber mats that cover the seat pedestals but they only fit up to 76 1/2.
Seat fact summary:
The stock 3-way seat belts suck: no doubt about it. If you've ever dropped something on the floor at a stoplight or have a growing waistline or take on passengers that are less than bus crazy the seat belts will drive you nuts.
The solution is to swap in modern retractable seat belts from another vehicle. You can use Vanagon seat belts but you'll have to get them from the junkyard and I don't think used seat belts are a great idea, especially ones that may have been involved in an accident.
You can purchase a good set of belts from GoWesty!. They sell Jetta/Golf belts from TRW/Repa (the original bus seat belt OEM) that bolt right in. These belts are expensive compared to other brands but it's your life so it's up to you how much you want to spend. These belt are the same quality as the belts that come in a 2004 VW.
Their kit comes with a mounting bracket for the reel and new hardware. You'll have to orient the reels so you can close the doors and swivel the passenger seat in your 76 1/2 or later westy but there are no other clearance issues.
Front bumpers came in two style 68-72 and 73-79 to comply with upgraded safety standards. Rear bumpers comes in the same two styles but the there were three bumpers brackets on the rear: 68-71, 72 and 73-79.
72 rear bumpers have the 68-71 look but mount in the 73-79 holes with a one-year only bracket. The hitches that are available for baywindows typically fit 73-79 only. The dealer used to sell them and you can identify them by the part number stamped on the tongue:
Here's a photo of the dealer hitch for 75-77 with a 2" ball (why those years only I don't know). The instructions state the tow limit is 1320 lbs with a max. tongue weight of 110 lbs.
See Jamie Rivers for a quality made hitch:
www.globalserve.net/~jrivers/latebayhitch.htm
To find out how much you can tow, see the owner's manual:
Page 79 - Dimensions and Weights
Who sells the best weatherstripping seals? OEVeedub and Bus Depot. Buy all of these window seals and all of their body seals except for the engine lid seal and the door seals. No one makes a good engine lid seal and the door seals (Genuine VW German) can be found cheaper at Bus Depot.
Some Genuine VW Brazil seals fit and some don't because of differences between the German and Brazil sheet metal. One example is the Genuine VW Brazil windshield seal. It's lip is 1/2" lower than the original (good for hiding a rust repair to your windshield).
The aftermarket American seals are good quality rubber but do not fit that well because the molds were made by copying old seals. The aftermarket Mexican/Brazil seals are utter garbage.
If you are thinking about using NOS seals, think again:
www.vwtrendsweb.com/tech/0206vwt_compare/
Use 3M weatherstrip adhesive to apply the door seals (window seals do not require any chemicals to hold in place because there is a lip on the body that is designed to fit into the seal). 3M sells two varieties: regular in black (8001); super in yellow (8011) and super in black (8008). The latter two set up very quickly so I recommend the regular. Loctite/Permatex 81731 is basically the same stuff.
I have a tube of Loctite Black Contact Adhesive 30540 so I use that. I've never tried to remove it but I know that some adhesives are more resistant to solvents than others. If you stick with one brand you can use a known solvent to remove it of the same brand.
Restoring old seals is impossible; preserving them much easier. Boiled linseed oil is one way to keep seals beading water and pliant. Glycerin and talc are the old school way to preserve seals...on the shelf. That formula has no UV protection built in like modern chemicals made for the job and is not water soluble.
For modern EPDM seals I would locate a modern chemical compatible for the job.
If you've lost your keys or have different keys for your ignition and doors or your keys are really worn then it could be time to have a key cut by code. Every VW has a number stamped on the key. This number is also stamped on the locks:
A good VW locksmith is able to cut keys by only knowing this code or "rekey" a lock cylinder to match an existing key. Give Steve Sandlin a call:
You can also try your local VW dealer as they often have key cutting equipment but since the supply of original steel keys has dried up you'll have to bring your own key. Some dealers can't cut by code. Most likely only the biggest dealers had this knowledge.
New keys have sharp edges and are sometimes difficult to insert into old locks. If you can remove the lock you can clean it out with carb cleaner. This will dislodge the grime, graphite, etc that has been gumming up the lock. Afterwards, spray some Tri-flow into the lock. It's teflon based and it will make the keys a cinch to insert and make the wafers last.
The Westfalia interiors changed three times during 68-79:
See John Perry's gallery for photos of the different interiors.
You need to support the door on something like a milk crate to get the door off. First remove the track cover by unscrewing the two screws that hold it on from below, open the door, lift out runner, rest the door on the crate:
You can now slide the door off the back of the track.
To replace the silding door seal follow these steps up to the point where the door is resting on the crate.
From 68-72 VW used the Sunroof model as the body that was given to Westfalia to covert into campers (The 73 model was a transition year and just had a hole cut in the roof which meant more headroom because there was no sheet metal to hide the sunroof). In 74 when the poptop roof changed direction a special body was created and the roof was braced above to reduce flex in the body.
To increase the structural ridigity of the earlier models, VW welded a bellypan to the bottom of the frame:
215 703 715 C underfloor plate, center used on models 215, 216, 225, 228, 235, 241, 244, M60, M520. This means:
Some Westfalia's have a bolted on belly pan but it has no strength and it not to be confused with the earlier version. It will flex under it's own weight and is mainly to keep the BA6 gas heater safe from road debris.
The English Dormobile buses (and possible other conversions) usually had M191 on their m-plate which means the same thing. These were regular buses with the extra belly pan to give them more strength, so afterwards that British camper conversion company could install a pop-up roof.
The welded part is 215 703 715 C and the bolted part is 215 703 715.
If a Westfalia was equipped with an air conditioner then the belly pan was not installed because there was no BA6.
The tire mount that was originally put on Westfalias was held in by a nail like rivet. You cannot access the them from the inside of the bus because there is too much stuff in the way. The best technique is to grind off the heads.
If someone has performed bodywork to the nose and covered up the three mounting holes for the emblem here's a diagram showing how to locate them again:
There are THREE holes. The yellow and black lines connect them in the diagram.
Although the emblems look like polished chrome metal they are really made of plastic. Same goes for the headlight trim rings (only the early ones were metal).
These are the years that you can swap the engine lids back and forth:
Sliding windows were introduced on 78 models but they retrofit back to any baywindow bus. For folks that have jalousie windows in poor repair swapping them out for sliding versions is a popular choice. Bus Depot sells Genuine VW sliding windows.
If it snows heavily where you live you may want to get a pair of these:
They were sold by the dealer (000 091 232) but you can still find them on eBay for about $40. Made in Germany and they fit 73-79 models.
Many buses have kick panels in disrepair. The vinyl either peeled from the heat, got damaged, or the cardboard backing got wet from a major windshield leak and warped or broke.
Bus Depot imports ABS plastic kick panel replacements from Just Kampers in the UK. They will outlast your bus as there is no vinyl to peel and the cardboard to get wet.
Another alternative is to order a new pair from Sunrise Buswerk.
VW changed the key styles over the years. The keys are referred to by profile and will determine what kind of locks/keys you can swap to your bus.
Baywindows used two key profiles:
Orient the ear like the photos and it will be obvious which key you have if you are unsure.
VWs came with one key that unlocked all doors and operated the ignition switch. If you have a locking handle for the engine compartment which was a dealer option it came with a second unique key. If you have more keys that this you can have your locks rekeyed by a VW locksmith like Steve Sandlin. Every lock will have a code like XXLXXX where X is a number and in this case L is the key profile.
1968 door locks are one year only so keep that in mind when you source new locks.
You can determine the body style by decoding the first two letters of the VIN:
21 Panel van (no windows) 22 Passenger van 23 Kombi (windows) 24 Deluxe passenger van 26 Pick-up 27 Ambulance 28 Double sliding doors
The ultimate guide to VW type designations can be found here:
www.beetle.idv.tw/volkswagen_air_cooled/family-type-2.htm
Note: 74-79 Westfalias were a variant of the Kombi body while earlier ones were a variant of the sunroof passenger van. Kombi was a term that was in reference to a body style that could be used either for commerical use or for passengers by adding seats. In some countries, Kombi was the nickname for the bus.
Bay window sheet metal comes from one of four sources:
Bus Depot and CIP1 have the best selection of this sheet metal.
The stock jack made by Bilstein is terrible. The early versions freeze up in winter and the rotary crank versions are still too tippy.
Bus Depot sells a nice scissor jack from VW Brazil that's designed for the bus jacking points. It's stable and much easier to use than the jack the factory provided. Like all scissors jacks: it's for emergency use only and will wear out if you try to use it as often as you would use a floor jack.
These are the VW jacking guidelines when not using the jacking points.
There are a couple of problematic rust magnets on your bus. The battery trays are one area and another is the lip underneath the windshield. The water that comes in will soak the carpet, short out the fuse box, etc. Whether or not you take on this repair yourself here's some photos to familiarize you with the repair that's involved.
You can perform a makeshift repair by using silicone to seal up the windshield. It's not pretty but it's often a good stop gap technique and cheap!
Photos of left corner and right corner with silicone.
Once thing I can say from my own experience is don't remove the windshield unless you plan to fix the rust before installing it back: the removal will disturb the rusted metal of the sill and as a result more water will come in during rainfall. It doesn't take much rust to appear from the outside for it to actually be very rusted underneath.
Here are some photos from my own repair:
You can find a proper fitting windscreen sun shield from www.canvasworks.com/. I have them for all of my cars and each one is a perfect fit compared to the "universal" junk sold at the autoparts store that don't fit any car.
You can buy genuine battery hold down clamp for your battery tray but they don't come with the original bolt. The spec says M8x40 (VW part number N 010 340 4) and an 8x3 washer goes there also. I measured my original bolt to compare:
68 door handles are one-year-only: they used pushbutton handles (a la 67 splitwindow) and the lock knob is on top of the sill.
69-70 handles are the same, lever action door handles and lock knob is now a lever above the inner handle. 68-70 use L coded keys.
71 and started the vent system thru the door: slots in the leading edge and the slider in the rear. 71 and up use R coded keys.
68 to mid 76 hinges are the opposite of mid 76 to 79 hinges.
Around 75, the lock knob moved back to the top sill like the 68 door. But the 68 door does not have the front air slots.
Thanks to Karl Von Salzen for this information.
VW marked the body in several locations for identification. On 72-79 models, the VIN is riveted to the dash, encoded onto the m-plate under the dash, there is a sticker with the VIN in the doorjam and the VIN is stamped into the body in the engine compartment. The engine number is stamped just below the breather chimney (99/100 times) and also on the fan shroud.





On earlier models, the engine tin is stamped in a different place and the m-plate is behind the seat. Type 1 engines are stamped under the generator stand.

In 1973 the body was upgraded to meet US federal safety standards (FMVSS).

The baywindow was incredibly versatile. It was a workhorse of Europe and enjoyed much success in the form of modified commercial models.
These are just a few of them:Page 1 and Page 2.
Does your bus fail to start when it's hot outside after you just shut the engine off?
The Bosch starter needs at least 7.2V for the starter solenoid to engage. 12V leaves the battery but by the time it goes through the ignition switch and comes back the voltage has dropped due to the current required to engage the starter solenoid (8.25A). When there is sufficient voltage drop through the wiring you experience starting problems. You can measure the drop at the starter solenoid when the starter is cranking. Compare this voltage reading to a reading taken at the battery during cranking and you'll have the voltage drop through the ignition switch.
The heat from the engine creates a larger voltage drop than normal (the wiring experiences a positive change in resistance with a positive change in temperature) which is why it doesn't happen at first but much later, quite often at the gas station after a fill-up. This is why it's called the hot start problem.
My advice is to get the Bosch WR1 relay kit from BD. This kit essentially consists on a simple Bosch relay (0 332 019 150) that will send more current to the solenoid because now only the relay trigger current (123mA) needs to travel through the ignition switch wiring.
If you find another wire on terminal 50, the ignition wire is always black with a red stripe.
Wolfsburg West has a good article that shows how the relay improves the starting ability:
Starter Circuit Troubleshooting (Wolfsburg Wired March, 2001)
Mount it in the engine compartment like so. The voltage regulator is a convenient mounting spot on my bus. Mounting it inside the engine compartment will protect it from the elements and if it were to burn out one day you can simply replace it with another $3 automotive relay.
More info is available at the bartnik website.
20% of the time the problem is truly with the starter itself so be sure to follow Bartnik's Starter Troubleshooting before concluding the relay will fix your problem. Other times the ignition switch itself is faulty.
Keep in mind that there is no substitute for corrosion free wiring. Before relying on the relay 100% you should increase your starting chances by cleaning the terminals and replacing worn out parts. VW didn't do a good job of protecting the wiring from the weather and after 25-30 years, electrical problems start to creep in.
There is also an interesting preventative fix for the ignition switch: add 1N4003 diode to prevent the switch contacts from burning out prematurely. This happens because of a voltage spike that occurs when the starter disengages. It requires you to remove and clean the ignition switch and you may have to replace that part first for the diode to be effective.
See Pelican Parts article for more info.
See VDO Gauges article.
The bus originally came with a 5400rpm rotor in the distributor that limited the maximum rpm. The rotor had a spring and a weight and as it spun the weight moved and at 5400rpm made contact with a metal tab and shorted out.
This rotor, 04016 is 4-5x as expensive as the standard 04033 rotor. If you insist on using one, only purchase the 5400rpm version, not the 5800rpm version (04030) or higher otherwise you are defeating the purpose of the rotor in the first place. 5400rpm is a very high rpm for a bus engine to rev. They don't like it and a 4500rpm rotor (04021) would be a more practical choice.
If you have a 79 CA ECU (and possibly some 74/75 CA models), the rev limiter is built into the ECU so buying this rotor would be a waste of money. If you don't believe me you still will be using the wrong rotor if you use 04016 because it has a 5 kohm resistor inside and the CA ignition system requires a 1k ohm resistor rotor.
The stock battery size is 41. This is a large battery and is usually provides 815 Cranking Amps and 650 Cold Cranking Amps.
The other battery size is 42. This battery is two inches shorter and provides 560 Cranking Amps and 450 Cold Cranking Amps (about 40% less starting capacity than the larger version. If you live in a cold climate get the larger battery.
Both of these batteries have reversed terminals: positive on right, negative on left. This is backwards to most American cars but similar to Japanese and European models so be careful when selecting a bargain battery.
I'm all for keeping the bus stock but the stock ignition system was invented by a man named Kettering in 1910. The points in the ignition system are supposed to last 15k miles but they never do. Several problems exist:
The solution to this problem is an electronic ignition system like the one VW introduced with the 79 CA model. Pertronix makes a similar product for the bus Bosch distributor called the Ignitor (1847V is the vacuum dizzy version). It's a drop in replacement for the points and consists of a magnetic ring that slips over the shaft and a hall effect pickup that switches the spark from the coil to the spark plugs. It takes about 30 minutes to install and you'll never have to adjust the dwell again.
If you have an air-cooled Vanagon the Pertronix wires are too short. This is because the wires are only long enough to reach the coil mounted on the fan shroud (72-79 bus) and the Vanagon coil is mounted on the left wall of the engine compartment. Just extend the wires with some male/female disconnects.
Some units don't seem to fit well possibly due to manufacturing tolerances. Mainly, the collar won't slip over the cam on the distributor shaft all the way. Pertronix seems to recommend scraping away some of the material in the corners that contacts the lobes of the cam. A small cut with a knife would probably work also.
Simply oil the felt in your distributor shaft on a regular basis like you should with points and your distributor won't be the weakness it used to be. You need to reset the timing after installation and right away you should notice a smoother idle, better acceleration, more top end power and a slight improvement in mileage compared to perfect points.
You cannot set the gap with the Pertronix to adjust the dwell as you can with a set of points. It is largely fixed (on the Ignitor I) and the plastic feeler gauge is simply to make sure that the module doesn't rub against the sleeve. The Pertronix dwell angle will always be about 53-54 degrees.
See my Pertronix Adjustment article.
After you install it you must adjust the timing because it will be too retarded compared to the original position the points were located at relative to the cam position.
If you are installing a CDI ignition you must use a distributor rotor that does not have the 5kohm resistor inside. If you don't the spark will be so weak the rich mixture will cause the engine to run horrible and the rotor will eventually burn out because it's not designed to dissipate the heat generated by this high output ignition system.

Most Bosch rotors have a 5k resistor inside them (some have 1k resistors and have R1 marked on the rotor body instead of R5). The resistor has several purposes one of which limits the current that would normally cause a normally gapped spark plug to have a shortened life (the other purpose is in the form of a damping resistor). The presence of the resistor hinders the spark generated by CDI.
Bosch does not sell a rotor that fits our distributors without a resistor inside. I have been through the German part catalogs with Bosch to confirm this.
Either purchase a modified rotor or perform the modifications yourself:
huelsmann.us/bugman/RotorTech.html
The rev limiting rotors are slightly easier to modify because the resistor does not pass under the center terminal but are more costly obviously. A rotor should last you 50k miles.
Why you need or do not need this resistor requires an understanding of the ignition system and basic electricity. Here's what's going on:
The stock wires follow a European standard and are simply unshielded stranded wire. The ignition circuit is based on the Kettering design and passes current at a specified voltage through an electrical circuit. In the circuit are conductors (spark plug wires), resistors (spark plug wire connectors, rotor), inductors (coil), capacitors (condenser) and various air gaps (rotor to distributor cap and spark plug electrode to ground). The circuit has the same properties as any other LRC tuned circuit and the resistors exist to damp signals in order to prevent unwanted noise from the coil. This is what voltage looks like as the system works:

Voltage is applied to the coil and the negative side is grounded which drops the voltage to zero (-3 ms). The coil is like any other transformer and only works when the current is changing (not DC). During this dwell period the coil energizes until the circuit is broken at which time a large voltage spike is induced (0 ms). The voltage increases to the level great enough to jump the spark plug gap and then burns at a lower voltage because it take far more voltage to jump the gap than to maintain the bridge of plasma across it. When the coil primary is switched back on (points open), the secondary circuit breaks and the voltage begins to ring (1 ms). The resistor in the circuit serves to damp this signal to zero (2 ms). This prevents unwanted EMI. RFI is generated by the initial spark.
The Kettering system is ingenious beyond a doubt simply because is so multi-tasking. This behavior seen at the primary side of the coil is mirrored on the secondary side of the coil except at much higher voltages, stepped up by the ratio of windings on the secondary vs. the primary (e.g. 99:1).

The signals almost look identical except for the ringing that occurs when the points close. I believe the reason the resistor exists in the rotor is to damp this signal. The resistor in the spark plug connector (usually 1-1.4 kohms) damps the current flowing in the forward direction (towards the spark plug).
The peak voltage is largely a function of the spark plug gap. This makes sense since the resistance of the gap (Mohms) is orders of magnitude greater than the resistance of the rest of the circuit (kohms). Any unwanted resistance in the circuit such as a broken connector at the plug (156 kohms instead of 1.4 kohms) will primarily increase the burn voltage at the expense of the burn current. Since it's current that causes combustion and not voltage optimizing the current is essential to complete combustion because the coil only has so much energy to discharge.
These are only graphs depicting what happens in a conventional ignition and are only displaying voltage. How does CDI differ?
First, from a pure electrical understanding, the coil is the limiting factor in both systems. Although the battery provides the voltage, the coil is the energy storage so it's very important that you have the correct coil for the job. If you had the specs you could compute the total energy by formula: coil output in mJ = I^2L/2. Manufacturers vary inductance by varying the number of windings and vary the current that flows through the circuit by removing resistance (aka ballast resistor). You want to have as low a resistance as your system can tolerate because you can see that current increases the coil energy by square rather than by inductance alone which is linear.
CDI systems operate at much higher voltage levels than a conventional ignition. Because the total energy depends on the coil (and it's level of efficiency, always < 100%) you can understand why the CDI manufacturers prefer you use one of their coils. It's not just marketing hype: a Bosch Blue coil may not be able to dissipate the heat generated, allow the voltage to rise quickly enough, produce enough voltage or all three.
Now understanding how the ignition system works (leaving aside what going on within the combustion chamber than affects the peak voltage requirements), the problem with the resistor in the rotor boils down to this: because the energy output is fixed by the coil design and the CDI voltage is much higher than stock, the current levels are very small. The 5 kohm resistor will limit the burn current to a point that a normal mixture won't burn completely. The burn time of a CDI system is much smaller than conventional but they make up for it by multi-sparking (shorter spark, more of them). Many people think these systems improve the ignition by a factor of n sparks more than conventional but in fact they are required. As a testament to this statement, single sparking CDI system were a flop in the 70's when inexpensive transistors were adapted to aftermarket ignition systems.
Keep in mind these systems were designed for racing vehicles and adapted for street use by wiley marketing types. Much like the intended use for the 009, race engines are designed to run optimally at high rpms at all times while your engine needs to idle and run at different speeds as you change gears.
So why isn't the resistor required for CDI to prevent unwanted emissions? First, the spark profile is very different and decays according to the design of the capacitor in the circuit (the C in CDI). Second, these system were designed for racing where there used to be no EMI/RFI emissions concerns. At one point all spark plug wires were simply stranded wire but FCC regulations introduced in the 60s required automotive manufacturers to use suppressed wiring in their ignition systems so your neighbors couldn't here your engine through their radio and TV. Racers continued to use low resistance "solid" spark plug wires especially if their engines were carbureted.
Modern ignition systems of course are now computerized and this has spawned the development of mag wound spark plug wires that offer proper conductance of high voltages while suppressing emissions. They cost more to manufacture than stranded wire and are sold at premium prices. These wires are often used on street cars with CDI not for their suppressive qualities as much as they are often have much thicker insulation (8-10mm) instead of the stock 7mm which prevents di-electric breakdown at the higher CDI voltages. These wire sets also lack the resistive connectors that would burn out in a conventional wiring set.
If you have FI, how much of this in an issue on VWs with it's primitive Bosch L-Jet electronics? Hard to say without taking proper measurements. I can only state that the stock Bosch/Beru wires aren't designed for CDI so the logical upgrade is to install a mag wound set.
Can I upgrade to 80/100W bulbs? Yes and No. The fuses will blow and the wiring may melt if you upgrade the fuses. You should install relays if you want to use lighting this bright. I've found that a quality H4 headlight, such as Bosch or Cibie (but not Hella) obviates the need for higher wattage lights or wiring mods. Bosch 0 301 600 118 units are what I recommend.
What's wrong about many H4s that are labaled for off-road use only is that they are designed for RHD and imported into the US. This means when put on a LHD vehicle instead of seeing the road signs at the side of the road you'll be blinding oncoming drivers.
For the bulbs hit up the local auto parts store and buy a nice Made in Germany Osram/Sylvania H4 for $10. Avoid the asian H4s that cost even more from the motorcycle store.
Wiring modifications for stock wattage bulbs aren't without their benefits. First, all of the current for the lighting has to go through the headlight switch which burns them out over time. If you pass the current through a $2 relay you can make you switch last as long as the mechanical action remains good. Fortunately this is less of the problem not that the Ventura Warehouse Group makes a good reproduction switch at half the cost of the garbage switches from China and even the "genuine" switch from Mexico.
The second benefit from using relays is to maximum the light output. The output, or luminous intensity drops off faster than the voltage drops because of the relationship between the two. Here's what happens:
Relays bypass the high resistances in the headlight circuit and send as much voltage to the headlights as possible maximizing the light output.
Most busses were equipped with 55A alternators (770 Watt) but some had 70A. You can identify a 70A alternator by the fan/pulley combo where as the 55A version only had a pulley.
If you had a stock BA6 gas heater in your Westfalia you probably had a 70A version because the gas heater blower draws 7A and the glow plug draws 10A extra current than a non equipped model. I believe all Canadian models were so equipped.
On the Type 4 engine there is a boot that directs air from the fan shroud to the alternator. The early 55A alternator had a boot with a D-shaped opening that was NLA but is now being reproduced by the Venture Warehouse Group (VWG). The 70A alternator boot has a round opening and currently this part is NLA through VW channels can is only available from Porsche (022 903 655).
The number one reason the engine dies when you put the transmission into reverse is the the wire from the reverse switch is wired to the wrong side of the coil. This has the effect of grounding terminal 15 (the positive side of the coil) and kills the engine (no spark).
Polarize Generator/Regulator by disconnecting field wire (DF) from regulator and ground this wire to engine or chassis. Remove battery lead (B+ / #51) from regulator and momentarily touch this lead to the armature terminal (D+ / #61) of the regulator. Reconnect the field wire (DF) and the battery lead wire (B+ / #51) to the regulator.
Info from VintageBus.com
eGauge's advice: Will VDO tachs work with points ignition or Pertronix?
Yes, with diode in line on the signal lead. Instructions are as follows:
Purchase a diode #1N4005 from a local electronics store such as Radio Shack. Cut both ends of the diode so each is approximately 3/4" long. Crimp 1/4" female spade connector on the end of the diode with the silver band.
Crimp butt-splice connector on the other end of the diode. Crimp the opposite end of butt-splice connector to the wire connected to the ignition signal source.
Connect 1/4" female spade connector used in #3 above to terminal #4 on the back of the tachometer. Connect a ground (-) wire to terminal #3. Connect a switched 12-volt power wire to terminal #2. Set switches for appropriate amount of cylinder.
I think this is a long winded way of saying that you should connect a diode between terminal 1 of the coil and the tach wire that goes to the gauge. The cathode end (silver band) has to be facing the tach side, not the coil side.
VDO wiring instructions (eGauges.com).
The buzzer is a relay (metal can) mounted to the bottom of the fuse box. It looks like this and has two prongs:
The switch is a little black button part way down the body on the piller where the front of the door meet the body. The relay is powered from terminal SU on the ignition switch whenever you push in the key.
The buzzer does sound really annoying but if you've ever locked yourself out of the car you'll understand what it's really for. If you must remove it, simply pull the relay from the fuse box.
If you have the relay but no buzz, after you verify all of the pieces are in place, disconnect the battery and clean the corrosion off the door switch and see if it restores the buzz. If that fails you can suspect the ignition switch.
Here's a neato mod suggested to me by Charles Watson: How to trigger the buzzer if you leave your lights on.
Run a diode from pin 58 on light switch (E1) to pin 85 of buzzer (H5). Cathode end of the diode (stripe) pointed at the buzzer.
This will buzz (BZ) when the door opens (DO), if the lights are on (LO) "OR" the key is in (KI).
BZ = DO (LO + KI)
The key doesn't have to be inserted to buzz if the lights are on but do due the "OR" logic it will do so anyway which is also what we want. The purpose of the diode is to prevent the lights from coming on simply by inserting the key (current flows one way only).
Which diode do you use? I measured the current draw of the buzzer at 40 mA so a 1N4004 1AMP @1000V should do the trick. If you are safety minded install an inline 500mA fuse as well.
If you happen to have a have a speedo in KM only and require a unit with reading in miles your best bet is to swap one out and reset the odometer. It will take forever to use a drill to change the odometer so find a unit with a similar mileage. It's much quicker to rotate the numbers on the odometer directly but you have to be careful taking the unit apart because it wasn't designed to be serviced.
Rather than mess with the odometer I changed over the faceplate and labeled the odo as reading km which is legal. I know this technique works on 74-79 speedos but haven't tried it on earlier units. First step: you have to be very careful and pry off the needle at the hub without breaking the needle. When it comes off it looks like this:
The next step is to file down the sides of the spindle so you can remove the faceplate. One you have enough clearance you can remove the two screws that hold the face on.
Swap the face, and glue the needle back onto the spindle.
Photo of dash with new speedo face
Be sure to keep the speedo away from strong magnets. It works on the eddy current principle and you will ruin the calibration.
In VW headlight wiring, yellow is always low beam and white high beam. You can remember it by thinking of how bright the light is on each setting. Solid yellow goes to one headlight, and yellow/black goes to the other, etc.
First and foremost, disconnect the battery. NEVER work behind the dash with the battery connected or you'll risk everything going up in smoke right before your eyes.
After removing the 4 screws at the corner of the cluster, the clips that hold the cluster behind the dash simply fall off. After that, pull all 3 heater levers and undo the speedometer cable from the back. You will probably need wide-jawed pliers to undo the speedo cable especially if it's the first time. Just twist it loose and then undo the speedo cable by hand.
Now the cluster will be free for you to pull forward and will only be held in place by the wiring harness attached to the instruments. Putting back the clips is an exercise in frustration the first time. The lower right clip is the hardest and you may need to remove the radio or the glovebox of both.
To make future jobs easier, if you ever have to remove the turn signal housings on a 73-79 bus, put the housing back with screws instead of rivets and you'll be able to remove them quickly and reach behind the dash. Thanks to Rob Henley for the idea.
The odometer stops working because a single gear cracks and falls off. You can either try to glue the gear back together if the teeth are all ok or look for a replacement at the junkyard.
I recently located a company that specializes in gears believe it or not. I have not tried them but I'll provide the information for you to check out:
Muir says not to jump start a fuel injection bus but the owner's manual makes no mention of it unless. I finally located some information in the Bosch L-Jet manual and in the safety instructions it clearly states: Never jump the battery to start the car."
We'll, you can do it safely. Just use the technique to jump modern FI cars:
The whole point of this exercise is to keep the other car's alternator from potentially frying your electronics during the jump start. If the other car's VR puts out more voltages than the typical VW you should disconnect the positive cable from the dead battery during the invigorating period. Muir must have had a bad experience with a D-Jet FI VW he worked on once that was jump started by a GM truck with a 14.5V electrical system.
You'll need a good digital voltmeter to take some measurements.
I took these measurements from my own low mileage bus with a charged battery. All measurements were taken at the 12V tab on the back of the instrument cluster that powers the backside of the the alternator warning light. Ground was taken at the driver's headlamp ground.
I used the min/max mode on my multi-meter to capture the readings (moment of shame: don't tell the Sunpro CP7676 I love so dearly that I was fooling around with another multi-meter). The point of using min max was to record the range of values while I reved the engine to prove the voltage regulator is working.
Engine off: 12.8V Engine off, lights on: 11.6-11.8V Engine on: 13.8-14.2V Engine on, lights on: 13.4V
If your readings are way off mine, you've got a problem. Those readings were taken with my three year old Group 42 battery. I recently switched to the Optima 34R and replaced the stock VR (0 190 601 006) with the newer style from Spain that superseds all bus voltage regulators (0 192 062 007). The readings are quite different:
Engine off: 12.65V (before installing VR) Engine on: 14.00V Engine on, lights on: 13.94V
This VR is exceptional at holding the charging voltage to 14V. I also think it charges the battery better. Engine off tests next morning:
Initial reading: 12.75V Key on: 12.51V Key on, lights on: 12.12V
15 minutes later... (to remove any surface charge)
Key off, lights off: 12.09V Key off, 5 more minutes later: 12.53V
The battery is in a better state of charge than I've ever seen it.
Optimas have higher charging requirements and you may be wondering if a VR that was designed to prevent a wet battery from gassing will charge the Optima but it seems to do the job at least on my bus with the 70A alternator and VR combo.
Troubleshooting the electrical system isn't fun but fortunately the alternator circuit is pretty simple. If your alternator light stays on or is flickering you've got a problem with the system. The hard part is figuring out if it's the light, the voltage regulator, the alternator itself or the battery.
So how does the warning system work?
All of the alternator warning circuits work the same in all VWs. There is a 12V supply to the bulb from the fusebox which is powered by terminal 15 on the ignition switch. The blue wire on the other side of the bulb leads back to D+ on the alternator. With the 72-76 models, the blue wire also splits off to the relay for the aux blower fan in the engine compartment and sometimes to the brake warning light so you should make sure those wires aren't crossed anywhere.
What if often misunderstood is the back of the instrument cluster is not made from a single piece of metal. Most of it is grounded to the body by the circle of spaded connectors on the back but the area where the indicator lights reside is insulted by plastic, sometimes in two separate sections. You'll see a tab on that insulated section to provide 12V just for those lights instead of the usual ground. The chance of you grounding that tab on the body if you remove the cluster with the battery connected is extremely high so DON'T DO IT. Disconnect the battery first.
When you turn the key to on, the bulb gets 12V on one side from the battery and 0V on the other side from the alternator blue wire and lights up (incandescent bulbs don't care which direction the current is flowing). When you start the engine, both sides of bulb get 12-14V and the light goes out because there is no voltage drop across the bulb.
Now, what if the light is faint or flickering?
The bulb is like any other 12V/1.2W bulb on the dash except for the wiring difference I've already mentioned. Whenever the battery is being charged the voltage at the battery is higher than if the engine is off. It might be 12.8V when off and 13.8V when charging. Of course there is going to be a small inherent voltage drop at the bulb because of the very long wire that runs from the engine to the dash. This drop can be approximated from the gauge and length of wire. If the wire has say 0.0214 Ohm/m of resistance and there is 10 ft. of wire the voltage drop will be 6mV.
For an experiment, I took an instrument light bulb out of my bus and hooked it up to a DC power supply. There is no discernable light output from the bulb until about 1.1V are driven across the bulb. At 13.8V the light is very bright and it draws about 90mA (13.8V x 90mA = 1.2W). At in between voltages the light output drops off quickly (technically at 85% voltage, the light output is half). Above 6V the bulb is bright enough be noticeable behind the red filter at all times. Below that voltage, I don't think you can tell it's lit in the daytime so figure that when it's lit, you've got a serious charging problem.
If there is corrosion at the wire ends, a bad terminal, etc the voltage drop can be much higher but since all of the terminals are sealed or inside the vehicle the likelihood or a wiring problem is minimal and a problem with the charging components is more likely. At the start of your diagnosis, measure the resistance of the wire with the battery disconnected and rule out any wiring problems with the blue wire. The resistance should be near 0 ohms. If it's as high as 12 ohms this is going to cause a 1V drop and begin to light up the bulb. You are going to need some long multimeter leads to reach from behind the dash all the way to the voltage regulator.
So which component is to blame?
With this info you can assume that if you can see the light there is a big problem with the charging system once you rule out any wiring issues. With generators, their output at idle is low and the light will flicker in response to that. Annoyed VW owners have been known to put red nail polish over the battery symbol to make it harder to notice the flickering light. Alternator's don't have this problem.
If the light doesn't come on when you turn the key, the most likely culprit is a burned out warning light. The other is a dead battery. You can have your battery load tested at the local flaps. If you have an accurate hydrometer (not a $3 flaps model) you can test it at home. I don't recommend that you open a sealed battery although it's possible since you may not get it to seal as well afterwards.
If the light stays on you probably have a dead alternator and you should turn off the engine right away. If the light is flickering and goes away when you rev the engine it means the output from the alternator is increasing and starting to produce a normal voltage. This hints that the alternator is bad or the voltage regulator is not controlling it correctly.
If the light gets brighter as you rev the engine, it hints that the voltage regulator is bad because the alternator is producing enough voltage but the regulator is failing to limit it. It can also mean that the alternator output is low and the voltage hasn't reached the cutoff level yet governed by the voltage regulator. If your lights are bright and get brighter as you rev the engine the VR usually needs replacement. Remember that VRs turn excess voltage into heat and so don't last forever. A bad one can cause your battery to boil over and eat your battery trays before you even notice.
If the light comes and goes intermittently then the alternator is probably more at fault than the voltage regulator (worn brushes). If you can't determine this the VW advice is to replace the VR first and then the alternator if the problem isn't resolved. This makes sense especially given the prices of each and you can always use a spare VR in future (they will only get harder to find and go up in price).
Another cause of flickering lights is a failed diode pack inside the alternator. An alternator produces 3 phase AC and the diodes rectify the signal into a non-pulsing DC signal suitable for the electrical system of the car. When one fails, the output from the alternator is no longer steady and this pulsing voltage causes the warning light to flicker.
Quite often what is frustrating is that you can't determine what the problem is because you have bought new components. All new Bosch voltage regulators are made in Brazil/Spain and all "new" Bosch alternators are rebuilt. If you see an X at the end of the part number, as in AL75X or AL108X, it's been rebuilt and detailed to look new again just like Bosch starters. Don't assume the alternator works just because you just bought it in a box from the flaps.
If your alternator warning light doesn't come on, you may just have a blown fuse or a bad connection at the fusebox. Fuse #12 usually powers the fuel gauge and few of the warning lights. If the fuse is burned out you won't see the light when you put the key in the ignition.
See my Fuses article for a list of fuses that apply to your model.
If you are driving and the light comes on you might have an alternator problem or it might simply be corrosion of the fuse causing enough of a voltage drop that the light is coming on so and give it a wiggle. When there is no voltage on the fuse side of the warning light (current not going thru fuse), the alternator will not excite. If it's not as simple as a fuse, you'll need a voltmeter to figure check to see what's going on.
The 72-79 tail light housings disintegrate from UV exposure. After 20 years they will crumble if touched by your hand. Electrical components is one are where aftermarket parts are absolute junk (in 99% of the cases).
Bus Depot sells a Genuine Hella of Mexico unit that is far better than any other you can buy. The part number is 211945241RK and it will last a long time and fit properly. Here's what you get in the kit and what you don't:
www.type2.com/archive/type2/099860.html
VW horns aren't wired like other cars and when they get stuck blaring or won't go on at all it's often mystery to those with familiarity with auto wiring.
There is a picture in Bentley that shows a tab where the horn ground connects under the steering column. Can you guess why this was done? Because there is no wire running down the tube: VW used the tube itself as part of the circuit. There is a collar outside the tab indicating that the centering of the tube is all important in keeping the horn from going off accidentally. Perhaps the tab needs to be bent further away. Either way you need a helper for alignment or need to stuff something at the base of the tube (seems awkward) before securing the base plate in the cab that holds the steering column in place.
How does the early 71-mid 74 wiring work? (Type2.com)
The steering column design changed in late 74 with VIN 214 2 164 060. Anyone trying to remove the early steering wheel probably knows this very well. It's no surprise the horn circuit is a slight mystery but the question remains: with two steering wheel designs is there one answer to this question of how the horn works? No.
For the later style, the tube is not used as part of the circuit. Let's follow the path the current takes. Starting with the (1) negative terminal of the battery and (2) frame, then onto the (3) steering box there is a (4) brown wire that connects the steering box on one side of the rubber coupler to the (5) steering column on the other side which is "electrified". Unlike the earlier design the shaft not the tube is used as part of the horn circuit.
At this point the circuit is purposefully broken by the (6) horn button which is sitting on springs. When pressed it connects with the (7) black wire of the canceling ring on the underside of the steering wheel which itself is connected to a (8) brass ring at the base of the canceling ring. The ring rides on a piece of (9) spring metal which keeps the canceling ring in electrical contact in all steering positions. The spring metal is riveted to a (10) brown wire which runs down the steering column shroud to a (11) terminal that interfaces with a (12) modular connector. The connector is part of a loom that eventually spits out a (13) brown wire and it runs down behind the fuse box, behind the kick panels into another loom where it joins the +12v from the fuse box (S11) for the horn and exits through the floor. From here both wires (gnd wire from horn and +12V from fusebox) run along the underbody and terminate at boots protecting the (14) terminals of the horn from the elements.
I don't think there are enough points of failure in this design. Do you?
Mounting an oil pressure sender such as the VDO unit presents several problems on the Type 4 engine:
Some people decide to open up the tin [Photo] in order to fit the sender and then tighten it by hand. At one time VDO made a special key that fit to the top of the sender but I can't locate the part number.
Another solution is to use a hose to relocate the sender [Photo]. Recently this hose has become hard to find and the most recent version of the adapter is not M10x1 threaded as labelled. The original one piece hose had the correct metric threads but this newer version is 1/8-NPT at both ends and will damage the threads on your case. Ordering a made-up hose locally is the best idea because it gives you 100% control over sender mounting.
If you are looking for a pre-made hose with the correct fittings get this unit from Aircooled.net. It is steel-braided 10x1 male to 1/8-NPT female with 1/8-NPT male to 10x1 female adapter so you can use VDO senders with either metric or NPT threads.
Some people have reported success using an extension hose for a grease gun but every item I've seen is 1/8-NPT with two male ends so you'd still need an adapter.
Autometer sells a M10x1 male to 1/8-NPT female adapter #2265. The product descriptions are often backwards but they've assured me that the male end is M10x1 (it wouldn't make sense to adapt NPT to most foreign cars anyway). Sunpro also sells a pack of metric adapters (CP7573) for $10. Ask for those part numbers at your local auto parts chain.
So you've bought a CDI or Pertronix or upgraded your ignition system and this has increased your mileage. How many miles will it take before you recover the cost of the upgrade?
(cost of upgrade) (new mileage) (old mileage) --------------------------------------------- = Miles (cost of gas) (new mileage - old mileage)
For example:
($180) (26 mpg) (16 mpg) ------------------------ = 3744 miles ($2/gal) (26 - 16 mpg)
With the price of gas today it doesn't take long before you recover your investment at same time as lowering your emissions and increasing your power. Power can always be associated with efficiency.
The slot for the radio is too small for the modern stereo deck without mutilating your dash. One of the cleanest mods involves mounting the deck in the glove box.

License plate light info from Karl: Page 1 and Page 2.
The VW radio is wired to the accessory fuse and won't come on unless you turn the key to the accessory position. Unfortunately this also powers up the coil which shouldn't be left on for long periods of time with the engine off. The same problem exists when you add an aftermarket radio.
Most baywindows have a warning buzzer that goes off when you open the door and leave the key in the ignition. If you or the PO threw the buzzer away because it made an annoying sound you may have forgotten about this.
Because the circuit (SU terminal on ignition switch) is hot when you put in the key this becomes a great way to power the radio without worrying about the coil.
Install an automotive relay between the door contact switch and ground. Use the other relay terminals to power your relay from the fusebox and be sure to fuse the lead to the radio.
See Basic Car Audio Electronics article. (enable flash in your browser to view all diagrams)
10 Westfalia: |
Your bus is camperized but is it a Westfalia?
Westfalia is the coachworks company that VW used to build camper conversions that were sold at the VW dealers. VW shipped the bodies by train and Westfalia outfitted them at their own factory. They also happen to be located in the North Rhine-Westfalia region of Germany. Westfalia's first VW camper conversion debuted in 1951.
They also used to build trailers, towing equipment and campers but what's not well known is Westfalia also built the Fridolin for VW. I didn't realize until reading it recently that they patented the towball hitch system in 1931.
There were 3 types of Westfalia campers sold in USA/Canada known by their m-codes:
Deluxe means it had a fridge, stove, city water and a couple of extras like a front table and camping stool. See the campers owner's manual for details.
Older splitwindow campers were known by their SO designations. This naming convention came over to the baywindows but later changed:
| Year | Designations |
|---|---|
| 1968 | SO 60, 61, 62 |
| 1969 | SO 60/1 thru 7, SO 70/1 |
| 1970 | SO72 |
| 1972-1979 | Campmobile 70 |
| Champagne Ed. | Westfalia 80 |
I'm not sure if the 71 models used the SO or the Campmobile destinations. If you know, please email me.
There were 3 camper layouts in the US from Westfalia for 68-79 busses. Here's how to identify a "Westy" at a glance:
The 76-79 Westies have the best floor layout. Although the lower bed is narrower, the floor plan is open and you can use your bus as a makeshift cargo transport.
See John Perry's gallery for photos of the different interiors.
Westfalia is the most popular camper conversion but other companies came on the scene to customize the bus into a camper. Some of these were converted when you took your bus into their shop while others were converted and offered for sale at the dealerships.
US conversions:
UK conversions:
DE conversions:
80 lbs.
There's are good shots of the US interior layouts of Westfalias online:
See John Perry's gallery for photos of the different interiors.
Helsinki and Berlin refer to the layouts of the European models (the euro models came in multiple layouts per model year). Check it out, specifically the 78 Euro Westfalia brochure.
A US 78 Westfalia is identical to the euro Berlin layout for that year. The Helsinki layout is similar to the 75 US layout but not quite. Continental was another name used.
VW used production codes for each model. Basically a Westfalia is either a deluxe pop-top (P27), pop-top (P22), or standard (P21) which is sometimes called a hardtop or weekender. There was also a P31 deluxe in Canada that had a fridge but no stove. I just thought I'd mention it since a lot of CDN busses make it into the hands of US owners.
See the brochures at Rob Henley's website for more model specifics.
See my Jalousie Rebuild photo album.
The laminate on the original 74-75 Westfalia cabinets tends to peel from exposure to 25 years of sunlight. Add fading and water damage and you might need to recover them. Two options exist for the original look:
You can buy either in sheets and cut the appropriate lengths and use a strong wood glue with wood clamps (Gorilla Glue makes a terrible mess) to secure them.
With the Jalousies in disrepair some people prefer to swap in the sliding windows from a late model baywindow as they are a drop in fit. Vanagon sliding windows are a different size according to Karl:
Height:
Length:
Vanagon sliders are:
Westy vanagon sliders are the same size as passenger Vanagons except the latch is 14 1/2" back from the corner so you can have a screen mounted and be able to open the window. The fixed glass is shorter and the movable glass is longer.
The handle on the right is used on 68-73 campers because the sink partially blocked the handle. It's NLA. The left handle is also NLA. The middle handle is still available as a reproduction or from VW Brazil. The later handle does not fit the earlier door and vice versa.
Westy's aren't super tall but sometimes a garage just isn't tall enough to fit one under the cross beam. When I go house hunting I remember that the top arch of the roof is right at my wrist bone when my arm is extended. You might want to come up with your own way of quickly measuring if you forget to bring a tape, so you don't have to deflate your tires to park your bus in your new garage.
Here are the dimensions:
References:
Bus Height is 77" (3.1" shorter than Westy).
05/04/04 - Created initial 65 answers
07/26/04 - Major update, 122 answers
09/08/11 - Fixed broken photos, added translate button, updated footer
07/15/19 - Google update: new adsense code, removed defunt translate button
11/16/20 - Removed frames, added master index and section indicies